Analog Devices Inc. Cartes d'évaluation EVAL-LT7171
Les cartes d’évaluation EVAL-LT7171 d'Analog Devices sont conçues pour évaluer les régulateurs abaisseurs synchrones CC-CC monolithiques LT7171/LT7171-1. Ces cartes d’évaluation sont idéales pour les sorties 1 V avec une fréquence de commutation définie à 1 MHz. Les cartes EVAL-LT7171 disposent d’une plage de tension d’entrée de 2,9 V à 16 V, d’un courant de sortie continu maximal de 40 A et d’une tension de sortie par défaut de 1 V. Ces cartes d’évaluation fonctionnent jusqu’aux paramètres par défaut et génèrent de l’énergie en fonction de la configuration NVM, et ce sans communication de bus série.Caractéristiques
- Régulateurs abaisseurs synchrones CC-CC monolithiques polyphasés LT7171/LT7171-1
- Tension de sortie par défaut de 1 V
- Plage de fréquence de commutation de 0,925 MHz à 1,075 MHz
- Courant de sortie continu maximal de 40 A
- Plage de tension d’entrée de 2,9 V à 16 V
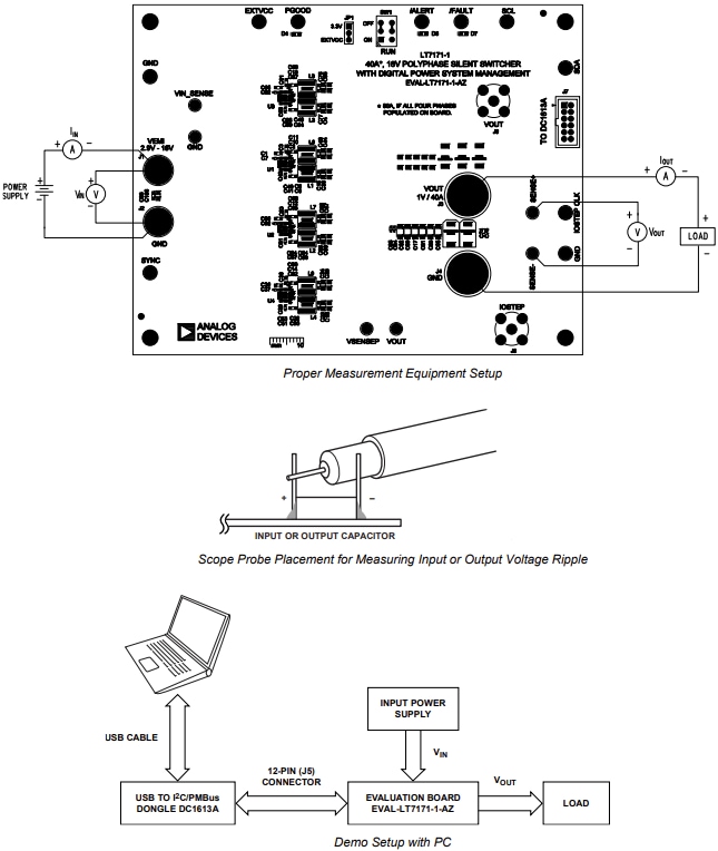
Configuration de la carte d’évaluation
Graphique de performance
Fiches techniques
Publié le: 2024-07-15
| Mis à jour le: 2024-07-29
