Analog Devices Inc. Cartes d'évaluation EVAL-LT7170
Les cartes d’évaluation EVAL-LT7170 d'Analog Devices Inc. sont conçues pour évaluer les régulateurs abaisseurs synchrones CC-CC monolithiques LT7170/LT7170-1. Ces cartes d’évaluation sont idéales pour la sortie 1 V avec une fréquence de commutation définie à 1 MHz. Les cartes EVAL-LT7170 comportent des filtres EMI installés pour de meilleures performances EMI conduites et rayonnées. Les cartes d’évaluation produisent une alimentation basée sur la configuration NVM sans avoir besoin de communication de bus série, ce qui permet une évaluation facile du convertisseur CC-CC. Les cartes EVAL-LT7170 disposent d’un courant de charge continu maximal de 20 A, d’une plage de tension d’entrée de 2,9 V à 16 V et d’une plage de fréquence de commutation de 0,925 MHz à 1,075 MHz.Caractéristiques
- Évaluer les régulateurs abaisseurs synchrones CC-CC monolithiques LT7170/LT7170-1
- Tension de sortie par défaut de 1 V
- Plage de tension d’entrée de 2,9 V à 16 V
- Courant de sortie continu maximal de 20 A
- Plage de fréquence de commutation de 0,925 MHz à 1,075 MHz
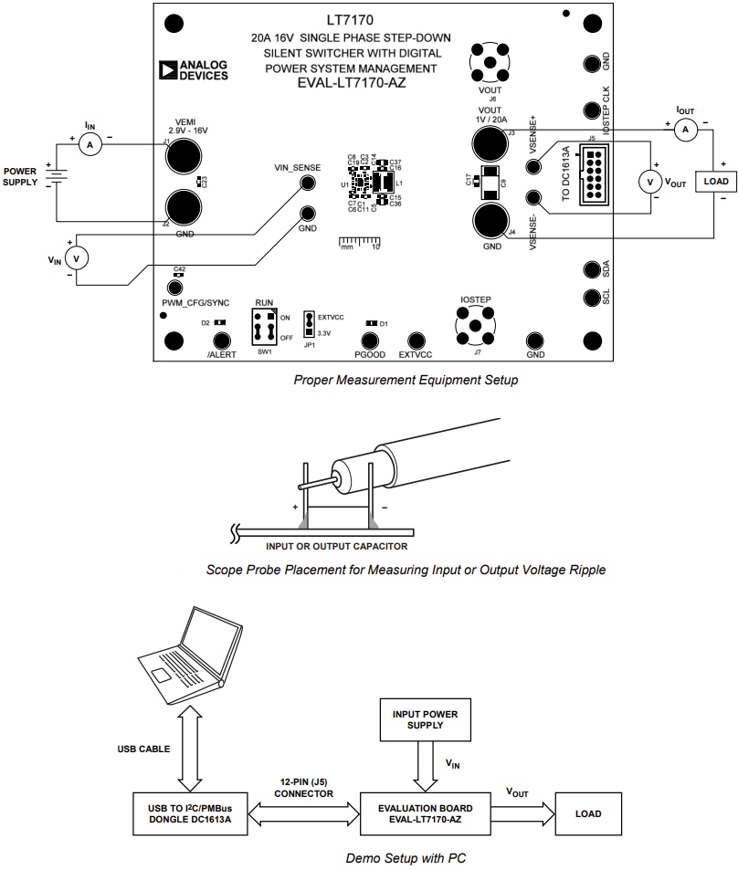
Configuration de la carte d’évaluation
Graphique de performance
Fiches techniques
Publié le: 2024-07-15
| Mis à jour le: 2024-07-29
