Analog Devices Inc. Carte de démonstration DC2874A LTC2971
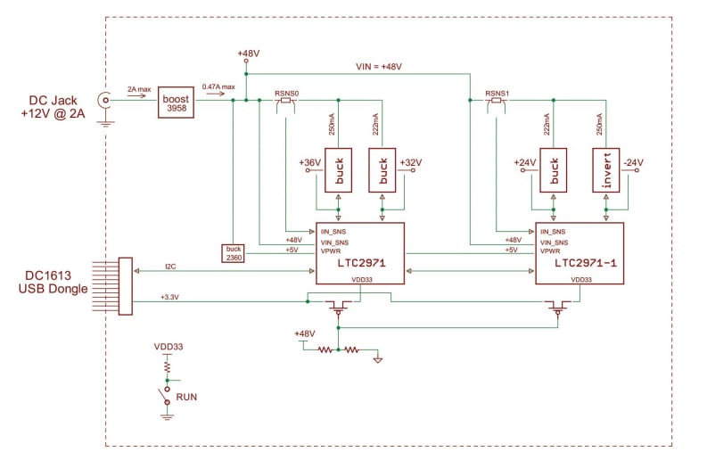
La carte de démonstration DC2874A LTC2971 Analog Devices Inc. est un système de démonstration pour le gestionnaire de système d'alimentation LTC2971 qui s'interface avec divers régulateurs. Cette carte est constituée de tous les circuits nécessaires pour démontrer un système d'alimentation utilisant deux dispositifs LTC2971 à 2 canaux et gérer quatre alimentations. Les quatre sources d'alimentation comprennent divers régulateurs de commutation dans le but de démontrer une variété de méthodes pour détecter la tension et le courant. La carte de démonstration DC2875A fournit un système d'alimentation numérique sophistiqué à 4 canaux. Le DC2875A démontre la capacité du LTC2971 à séquencer, atténuer, marger, superviser, surveiller et consigner les défaillances de quatre alimentations. Cette carte de démonstration contient quatre rails d'alimentation indépendants qui sont basés sur des régulateurs de commutation CC/CC.Caractéristiques
- Séquence, ajustement, marge et supervision de quatre alimentations
- Gérez les défaillances, surveillez la télémétrie et créez des journaux d'erreurs
- Ensemble de commande conforme PMBus
- Pris en charge par l'interface graphique LTpowerPlay
- Approvisionnement de marge ou de réduction à une précision de 0,25 %
- Quatre moniteurs IOUT et deux moniteurs IIN
- Mesure de la puissance d'entrée et accumulation d'énergie
- Superviseurs rapides OV/UV par canal
- Gestion des défaillances multi-canaux
- Journalisation automatique des défaillances sur EEPROM interne
- Fonctionne de manière autonome sans logiciel supplémentaire
- Surveille : tension, courant, puissance et température
- Séquenceur de sortie à 2 canaux basé sur le temps
- Interface série I2C/SMBus
- Alimenté de 8 V à 18 V
Applications
- Computers and network servers
- Industrial test and measurement
- High-reliability systems
- Video and medical imaging
Équipement nécessaire
- +12VDC power supply
- USB-to-I2C/SMBus/PMBus controller (DC1613)
- LTpowerPlay Software
Présentation
Schéma fonctionnel
Resources
Publié le: 2020-09-18
| Mis à jour le: 2024-11-08
