Wolfspeed Modules d'alimentation en carbure de silicium YM Six-Pack
Modules d'alimentation en carbure de silicium Wolfspeed YM, Six-Pack sont des modules qualifiés pour l'automobile, conçus pour une intégration de conception transparente et une durabilité. Ces modules rationalisent l'intégration du carbure de silicium dans les systèmes de traction des véhicules commerciaux, de construction et agricoles avec une empreinte standard et une technologie d'emballage avancée. Les modules YM Six-Pack présentent une disposition optimisée des bornes d'alimentation qui réduit l'inductance du boîtier, permettant une tension de dépassement réduite et une perte de commutation ultra-faible. Les applications typiques incluent les onduleurs de traction automobile, les véhicules électriques hybrides, les entraînements de moteur, les énergies renouvelables, les alimentations auxiliaires, les véhicules commerciaux, de construction et agricoles.Les modules d’alimentation en carbure de silicium YM à six packs sont disponibles avec différentes valeurs de courant jusqu’à 1 200 V / 650 A. Ces modules YM répondent aux normes AQG-324 pour les modules d’alimentation automobiles. La plaque de base des ailettes de broche refroidies directement des modules d’alimentation à six packs YM améliore la performance thermique tandis que broches à ajustement serré simplifient l’assemblage.
Caractéristiques
- Entièrement basés sur des MOSFET SiC pour des pertes ultra-faibles
- Tension de blocage de 1 200 V
- Options de courant nominal de 330 A, 460 A ou 600 A
- RDS(on) de 2,1 mΩ, 2,8 mΩ ou 4,3 mΩ à +25 °C
- Indice de suivi comparatif (CTI) >600 V pour le groupe de matériaux I
- Inductance de boucle de puissance extrêmement faible de 6,6 nH
- Plaque de base refroidie avec broches-ailettes
- Encombrement au standard industriel
- Connexion par broches à insertion par pression pour faciliter l'assemblage
- Sondes de température NTC intégrées
- Isolant Si3N4 haute performance
- Technologies d'interconnexion ultra-fiables
- Homologation AQG-324
Applications
- Onduleurs de traction automobile
- Véhicules commerciaux, de construction et agricoles
- Véhicules électriques hybrides
- Électromobilité et entraînements moteurs
- Alimentations auxiliaires
- Énergie renouvelable
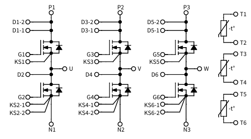
Schéma et broche
Publié le: 2025-04-30
| Mis à jour le: 2026-03-10
