Wolfspeed Plateformes d'évaluation modulaires SpeedVal™ Kit
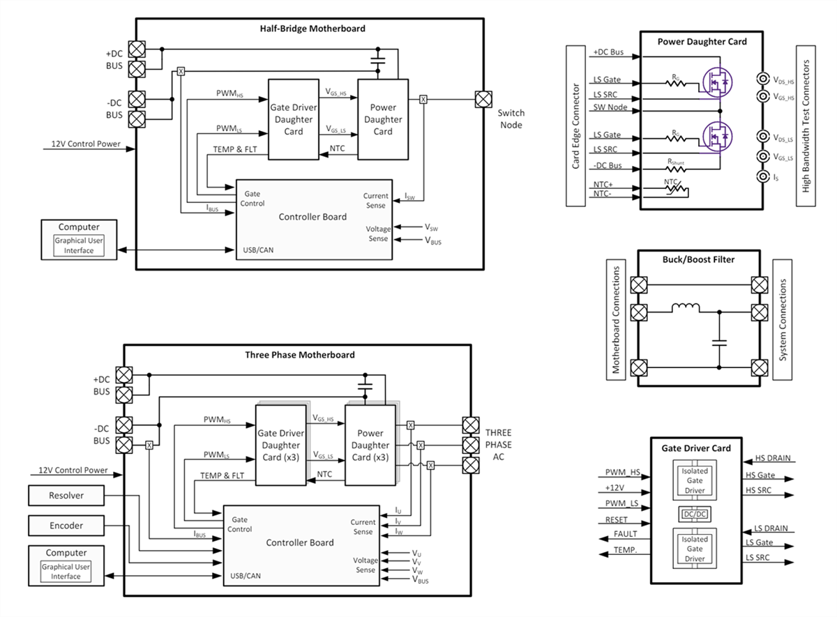
Les plateformes d'évaluation modulaires de kit SpeedVal™ de Wolfspeed disposent d'un ensemble flexible de blocs de construction pour l'évaluation des performances du système en circuit intégré, ce qui accélère la transition du silicium au carbure de silicium (SiC). Les plateformes permettent de tester les dispositifs en carbure de silicium, les commandes de grilles et les commandes dans des conditions de fonctionnement réelles, ce qui permet aux utilisateurs de faire la transition vers leur conception en toute confiance. Ces plates-formes d'évaluation offrent une gamme de topologies de puissance, de types d'emballage et de tensions qui prennent en charge presque toutes les applications. Les plateformes sont composées d'une gamme de cartes d'évaluation, y compris une carte mère, une carte fille d'alimentation, une carte pilote de grille, une carte de contrôle optionnelle et d'autres accessoires optionnels.Les kits permettent une évaluation et une optimisation rapides des performances de commutation dynamique à grande vitesse des MOSFET en carbure de silicium Wolfspeed lorsqu'ils sont associés à une gamme d'options de pilote de grille. Les plateformes effectuent des tests thermiques haute puissance pour évaluer les opérations aux points de fonctionnement réels. Un modèle Spice modulaire précis pour chaque bloc du système permet aux ingénieurs de comparer les données de test avec les simulations et de s'appuyer sur le fichier de simulation pour modéliser les systèmes des utilisateurs.
Une connexion unique du bord de carte à la carte fille de puissance permet aux utilisateurs de modifier les dispositifs au carbure de silicium en quelques secondes tout en maintenant une connexion à faible inductance au bus CC. Cela signifie que les tests qui ont pris des semaines peuvent maintenant prendre des minutes. L’approche de la carte fille à puissance permet à la même plateforme d’évaluer les dispositifs SIC dans divers boîtiers, des dispositifs TOLL montés en surface aux boîtiers TO-247.
La carte mère triphasée contient les mêmes capacités que la carte de demi-pont et permet également de tester rapidement les dispositifs en carbure de silicium dans des conditions de fonctionnement réelles sur une plage de moteurs d’entraînement industriels triphasés de 2 kW à 30 kW, de moteurs auxiliaires pour véhicule électrique, de pompes à chaleur et de climatiseurs.
Caractéristiques
- Multiples configurations
- Permutation rapide des dispositifs pour les tests
- Composants vérifiés compatibles
- Dissipateur thermique préassemblé sur la carte
- Connecteur BNC pour mesure de VDS inférieure
- Buck/boost jusqu’à 15 kW
- Convertisseur triphasé jusqu’à 30 kW
- Testent des dispositifs de 650 V à 1 200 V
Applications
- Automobile
- Énergies renouvelables
- Sources d’alimentation
- Convertisseurs PV
- Chargeurs de batterie VE embarqués
- Alimentation industrielle
- Onduleurs de traction du système de transmission
- Convertisseurs CC-CC haute tension
- Entraînements moteur
Schémas fonctionnels
