Wolfspeed Carte d'évaluation WolfPACK™ KIT-CRD-CIL12N-GMA
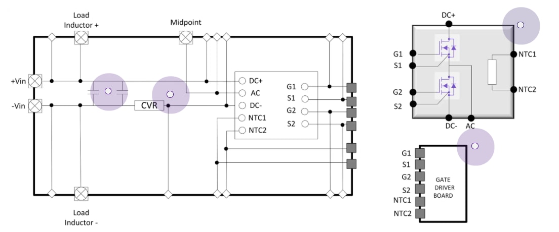
La carte d'évaluation demi-pont WolfPACK™ KIT-CRD-CIL12N-GMA de Wolfspeed est un outil de caractérisation dynamique conçu pour évaluer et optimiser les performances de commutation des modules de puissance demi-pont SiC GM3. La carte comprend un circuit de test de charge inductive limitée (CIL) avec une mesure de courant qui fournit un montage de test à haute vitesse et faible inductance pour les tests à double impulsion. Le dispositif de test combiné à une carte pilote de grille choisie permet de mesurer la synchronisation, le dépassement, la vitesse et la perte de commutation.Caractéristiques
- Optimisé pour les modules de puissance demi-pont SiC GM3 WolfPack de Wolfspeed
- Tension de bus CC jusqu'à 1 000 V
- Condensateur de masse 200 µF embarqué et banc de condensateurs à film haute fréquence
- Agencement à haute vitesse et faible inductance avec une inductance parasite de 4,9 nH à 10 MHz
- Résistance de visualisation du courant embarquée (CVR)
- Bornes à vis pour les connexions d'alimentation, de point médian et d'inducteur de charge
Applications
- Charge rapide de véhicules électriques
- Alimentation industrielle
- ASI
- Chauffage et soudage par induction
- Entraînement de moteur industriel
- Alimentations électriques
- Énergie solaire et énergies renouvelables
- Infrastructure de réseau
Contenu du kit
- Carte PCB entièrement assemblée
- Fichiers de conception de référence
Ressources supplémentaires
DISPOSITION DES COMPOSANTS
Schéma fonctionnel
Publié le: 2021-11-09
| Mis à jour le: 2022-03-11
