Western Design Center W65C265S 8- & 16-bit MCUs
Western Design Center W65C265S 16-bit Microcontrollers are designed for Hi-Rel applications in which minimum power is required. WDC W655C265S MCUs include a W65C816S Static CPU, 8Kb ROM, 576 bytes of RAM, processor-defined cache under software control, and more. The innovative architecture and demonstrated high performance of WDC W65C256S MCUs result in system cost-effectiveness and a wide range of computational power.Features
- Hi-Rel low power CMOS process
- Operating TA=0ºC to +70ºC
- Single 2.8V to 5.5V power supply
- Static to 8MHz clock operation
- W65C816S compatible CPU
- 8- and 16-bit parallel processing
- Variable-length stack
- True indexing capability
- Twenty-four address modes
- Decimal or binary arithmetic
- Pipeline architecture
- Fully static CPU
- Single-chip microcomputer
- 2 Tone Generators
- 64 CMOS compatible I/O lines
- 8K x 8 ROM on-chip
- 576 x 8 RAM on-chip
- 16Mbyte linear address space
- Twenty-nine priority encoded interrupts
- Four UARTS
- Time of Day (ToD) clock features
- 8 x 16-bit timer/counters
- Bus Control Register
- Many bus operating features and modes
- 8 Programmable chip select outputs
- Low-cost surface mount 84 and 100 lead packages
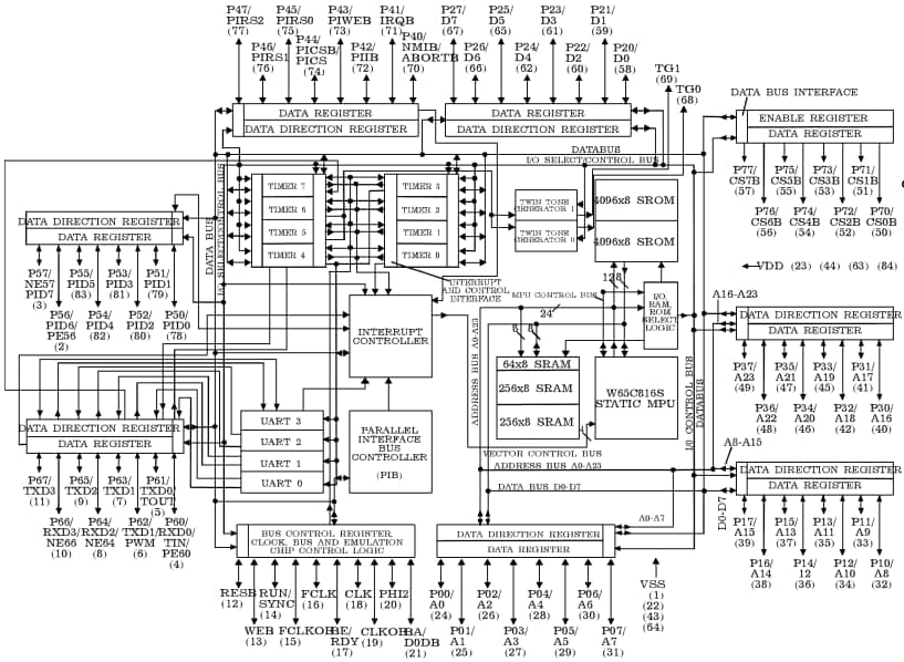
Functional Block Diagram
Publié le: 2011-10-07
| Mis à jour le: 2022-03-11
