Weidmuller Disjoncteurs de série CA/CC MCB
Les disjoncteurs Weidmuller série MCB CA/CC sont des disjoncteurs miniatures thermomagnétiques 1, 2 et 3-pole conformes aux certifications de sécurité EN 60947-2, UL 1077 et UL 489. Ces disjoncteurs sont équipés d’un mécanisme d’actionnement à bascule à action instantanée sans déclenchement positif, d’une haute capacité de rupture et d’une indication visuelle de l’état pour le montage sur rail DIN. Les disjoncteurs MCB CA/CC présentent des valeurs nominales de 120/240/277/480VCA et de 60 VCC (unipolaire) ou 125 V CC (bipolaire en série), avec de fortes capacités de coupure. Ces dispositifs sont faciles à inspecter visuellement, à manœuvrer manuellement (ou à déclencher à distance avec des déclencheurs shunt), et à surveiller grâce à un contact auxiliaire.Les disjoncteurs CA/CC MCB avec une variété de caractéristiques de déclenchement et de modules complémentaires, permettent une grande variété d’applications. Ces disjoncteurs sont conçus pour protéger les câbles de circuit ainsi que les moteurs, les générateurs et les transformateurs, les thyristors et les redresseurs en silicium. Le MCB fournit également une protection supplémentaire pour les ordinateurs, les équipements périphériques, les systèmes de contrôle des processus industriels, les équipements de télécommunications et les alimentations.
Caractéristiques
- Disjoncteurs UL 489 (classe de dérivation) et UL 1077 (classe supplémentaire)
- Sécurité des doigts
- Applications de contrôle industriel UL 489 ou UL 1077, avec verrouillage optionnel en position « Marche » ou « Arrêt »
- Protection conçue pour les applications d’automatisation et de processus :
- Thermique magnétique
- Disponible pour les caractéristiques de courbe B, C ou D
- Valeurs d’ampérage communes disponibles de 1 A à 63 A
- Construction robuste
- ±0,38 mm à haute vibration (10 Hz à 57 Hz),
- 10 cycles de fréquence par axe 5 g (57 Hz à 500 Hz)
- Test de choc CEI 60068-2-27 / 30 g 11 ms
- Flexibilité de conception
- Modules accessoires optionnels pour la signalisation, le changement et le déclenchement à distance
- Barres omnibus et accessoires de barre omnibus en option
- Encombrement réduit
- Montage sur rail haute densité (17,6 mm de large)
- Large offre d’accessoires
- Barres omnibus découpables approuvées, contacts auxiliaires et dispositifs de shunt-déclenchement
- Entièrement classé
- 1 pôle : CA 120 V, 1 A à 63 A et CA 277 V, 1 A à 32 A
- 2- et 3 pôles : CA 240 V, 1 A à 63 A et CA 480 Y/277 V 1 A à 32 A
Applications
- Fabrication automobile
- Industrie chimique, pétrolière et gazière
- Énergies renouvelables
- Véhicules ferroviaires
- Automatisation
- Industrie pharmaceutique et agroalimentaire
- Production d’acier
- Télécom et datacom
- Systèmes Power-D-box
- Équipement d'éclairage
- Contrôle des processus
Vidéos
Présentation générale
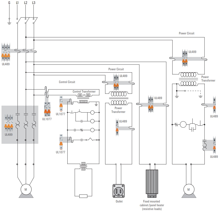
Schéma d'application
Ressources supplémentaires
Publié le: 2023-04-24
| Mis à jour le: 2023-08-21
