Vishay Semiconductors Module de puissance intégré SiC660 60 A VRPower®
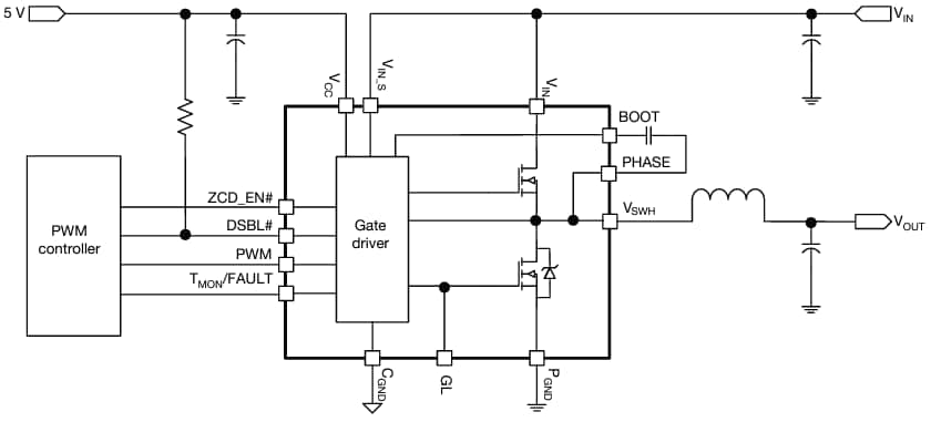
L'étage de puissance intégré SiC660 Vishay semiconducteurs 60 A VRPower® est un étage de puissance intégré haute fréquence conçu pour les applications buck synchrones. Le SiC660 des semiconducteurs Vishay offre un courant élevé, une efficacité et une densité de puissance avec un courant d'arrêt minimal. Logé dans le boîtier MLP compact de 5 mm x 5 mm de Vishay, il prend en charge les régulateurs de tension délivrant jusqu'à 60 A de courant continu par phase. Ses MOSFET de puissance internes, construits sur la technologie avancée TrenchFET® de Vishay minimisent les pertes de commutation et de conduction pour des performances de pointe.Caractéristiques
- Boîtier PowerPAK® MLP55-31L à dissipation thermique amélioré
- Technologie TrenchFET et MOSFET de côté inférieur avec diode SCHOTTKY intégrée
- Commutateur bootstrap intégré à faible impédance
- MOSFET de puissance optimisés pour l'étage d'entrée 12 V
- Prend en charge les exigences de mode PS4 de faible charge avec un courant d'alimentation d'arrêt réduit (5 V, 3 μA)
- Détection de courant zéro pour une efficacité améliorée en charge légère
- Logique MLI de 5 V et 3,3 V avec minuteur tri-état et de retenue
- Logique DSBL# de 5 V, ZCD_EN# avec prise en charge de l'état PS4
- Exploitation à haute fréquence jusqu'à 2 MHz
- Fournit plus de 60 A de courant continu, 70 A de pointe (10 ms) et 100 A de pointe (10 μs)
- Protection sur courant
- Indicateur de surchauffe
- Protection à la sur-température
- Protection à verrouillage de sous-tension
- Détection de court-circuit du MOSFET haute tension
- Surveillance et rapport efficaces
- Rapport précis de la température
- Signal d'alerte et d'indication des pannes
Applications
- VRD multiphase pour l'informatique, les cartes graphiques et la mémoire
- Alimentation du processeur central Intel
- VCORE, VGRAPHIQUES VSYSTEM AGENT, VCCGI
- Modules VR CC/CC d'entrée de rail jusqu'à 16 V
APPLICATION STANDARD
Publié le: 2024-11-19
| Mis à jour le: 2025-01-01
