Vishay Pilotes MOSFET isolés optiquement
Les pilotes MOSFET isolés optiquement de Vishay fournissent la tension requise pour piloter la grille d'un MOSFET basse tension. La tension de grille est générée par des cellules photovoltaïques et aucune alimentation électrique n'est nécessaire du côté de la sortie. Cela simplifie les conceptions lors de l’utilisation de MOSFET basse tension. Le VOM1271T monocanal fournit une tension de sortie de 8,4 V avec un courant direct d’entrée de seulement 10 mA. Le VO1263AACTR à canal double fournit une tension de sortie de 14,5 V.Caractéristiques
- VOM1271T :
- Tension de circuit ouvert de 8,4 V standard avec I F = 10 mA
- Courant de court-circuit de 15 µA standard
- Tension d'isolation de 3 750 V RMS
- Temps d'allumage de 53 µs, temps d'extinction de 24 µs
- Pas de V CC du côté de la sortie
- Tension de grille générée uniquement par les cellules photovoltaïques
- Petit boîtier SOP-4
- Option automobile homologuée AEC-Q102)
- VOD3120AB-T :
- Courant de crête en sortie : 2,5 A minimum
- Tension d'exploitation de 15 V à 30 V
- Tension d’isolation de 5 300 VRMS
- Temps d’allumage de 35 µs, temps d’allumage de 150 µs
- VO1263AACTR :
- Canal double
- Tension de circuit ouvert de 14,7 V standard avec I F = 10 mA
- Tension de circuit ouvert de 15,2 V standard avec I F = 30 mA
- Courant de court-circuit de 15 µA standard avec I F = 10 mA
- Tension d’isolation de 5 300 V RMS
- Temps d’allumage de 35 µs, temps d’allumage de 150 µs
Schéma fonctionnel
Schéma d'application VOM1271T
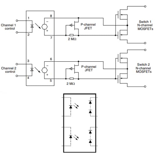
Schéma d'application VO1263AACTR
Schéma d'application VOD3120AB-T
Publié le: 2023-08-18
| Mis à jour le: 2024-08-13
