Vishay / Sfernice Résistances de puissance à montage par pince LTO 150
Les résistances de puissance à montage par pince Vishay / Sfernice LTO 150 sont homologuées AEC-Q200 et offrent une puissance nominale de 150 W ainsi que des tolérances de ±1 %, ±2 %, ±5 % et ±10 %. Ces résistances de puissance présentent une large plage de résistance de 0,03 Ω à 1,3 MΩ, une conception non inductive et sont conçues pour un montage par pince. Les résistances de puissance à montage par pince Vishay / Sfernice LTO 150 associent une plage de température de fonctionnement de -55°C à +175°C, un boîtier TO-247 et un matériau UL 94V-0.Caractéristiques
- Céramique à montage direct sur dissipateur thermique
- Non inductives
- Large plage de résistance
- Conçu pour un montage par pince
- Compact et facile à monter
Caractéristiques techniques
- Homologuées AEC-Q200
- Puissance nominale 150 W
- Tolérances nominales : ±1 %, ±2 %, ±5 %, et ±10 %
- Température du boîtier monté sur dissipateur thermique 150 W à +45 °C
- Plage de résistance : de 0,3 Ω à 1,3 MΩ
- Boîtier TO-247
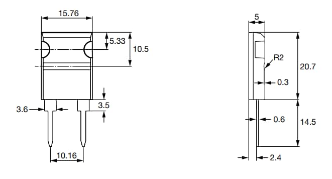
Dimensions (mm)
Publié le: 2022-10-13
| Mis à jour le: 2025-04-14
