Vishay Multiplexeurs analogiques DGQ405x
Les multiplexeurs analogiques DGQ405x de Vishay comprennent les multiplexeurs analogiques CMOS de haute précision DGQ4051E, DGQ4052E et DGQ4053E. Le DGQ4051E est un multiplexeur à 8 canaux, le DGQ4052E est un double multiplexeur à 4 canaux et le DGQ4053E est un triple multiplexeur à 2 canaux ou un triple SPDT. Le DGQ405x offre une faible fuite, une capacité parasite et une faible injection de charge de 0,3 pC sur l’ensemble de la plage de tension. Ces dispositifs sont idéaux pour la commutation et le multiplexage du signal de haute précision.Créés pour fonctionner à partir d’une alimentation simple de 3 V à 16 V ou d’une alimentation double de ±3 V à ±8 V, les DGQ405x de Vishay sont entièrement spécifiés à 3 V, 5 V, 12 V et ±5 V. Toutes les entrées logiques de contrôle assurent une limite logique élevée de 2 V en fonctionnement à partir d’alimentations de 5 V ou ±5 V et 1,4 V à partir d’une alimentation de 3 V. Tous les commutateurs fonctionnent aussi bien dans les deux sens, offrant une commutation de signal analogique rail-à-rail et peuvent être utilisés comme multiplexeurs et démultiplexeurs.
Les DGQ4051E, DGQ4052E et DGQ4053E ont une température de fonctionnement de -40 °C à +125 °C et sont disponibles en boîtier TSSOP à 16 broches.
Caractéristiques
- Produit automobile qualifié AEC-Q100 (classe 1)
- Plages de températures : de -40 °C à +85 °C et de -40 °C à +125 °C
- Exploitation en alimentation simple de 3 V à 16 V ou en alimentation bipolaire symétrique de ±3 V à ±8 V
- Faible capacité parasite :
- CD (ON) à 8,5 pF std (DQ4053E)
- CS (OFF) à 2,0 pF std (DQ4053E)
- Injection de charge inférieure à 0,3 pC sur l’ensemble de la plage d’oscillation du signal
- < 50 pa="" std="" faible="">
- 35 ns std Commutation rapide tON
- Logique 3 V compatible pour contrôle
- Commutation de signal rail-à-rail bidirectionnelle
Applications
- Systèmes de gestion de batterie automobile
- Info-divertissement automobile et télématique
- Multiplexage/démultiplexage de signaux numériques et analogiques automobiles
Caractéristiques techniques
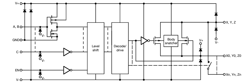
SCHÉMA FONCTIONNEL ET CONFIGURATION PIN
Schéma
Publié le: 2024-10-31
| Mis à jour le: 2024-11-15
