Vishay / Dale Conception de référence de convertisseur 1KW-DCDC-48V12V
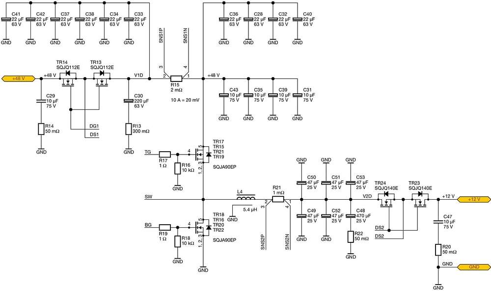
Le convertisseur Buck-Boost 1KW-DCDC-48V12V Vishay / Dale dispose de deux étages de puissance de module, chacun classé pour 500 W, et une conception de référence de convertisseur est disponible. L’entrelacement symétrique des deux phases réduit l’ondulation de courant et chaque phase dispose de MOSFET de protection qui peuvent isoler la phase en cas de défaillance et limiter le courant d’appel. Ce convertisseur Buck-Boost 1 kW, 48 V/12 V peut basculer automatiquement entre le fonctionnement buck et boost, et sa fréquence de commutation 160 kHz se traduit par un format compact. Alors que les systèmes réseau à double carte (véhicules avec bus 12 V et 48 V) deviennent de plus en plus populaires, les convertisseurs CC-CC 48 V vers 12 V bidirectionnels à haute puissance sont devenus des éléments essentiels de l’architecture automobile d’aujourd’hui. L’Énergie doit être transférée entre les batteries 12 V et 48 V pour maximiser l’efficacité globale du véhicule, et cela peut être atteint avec cette conception de convertisseur 1KW-DCDC-48V12V de Vishay / Dale.Caractéristiques
- Convertisseur bidirectionnel 48 V vers 12 V
- Fonctionnement entrelacé 2-phase
- Sélection automatique buck-boost
- Régulation de tension et de courant
- Contrôle du courant d'appel
- Protection contre les surtensions et les surintensités
Applications
- Automobile
- Alimentations réseau, télécoms et stations de base
- Informatique industrielle et serveur
- Environnements de test de véhicules électriques (EV)
Ressources supplémentaires
Vidéos
Schéma de principe
Configuration PIN
Publié le: 2024-03-04
| Mis à jour le: 2024-09-24
