u-blox Cartes de synchronisation RCB-F9T
Les cartes de synchronisation RCB-F9T de u-blox sont conçues pour fournir un accès de connecteur aux normes de l'industrie au module de synchronisation ISED-F9T. Ces cartes disposent d'un connecteur d'antenne SMB et d'un circuit d'alimentation 5 V pour une antenne GNSS multibande active externe. Les cartes RCB-F9T fournissent une embase à broches de pas 2 mm à 8 broches qui offre alimentation de la carte, des communications UART et deux signaux d'impulsion temporelle configurables indépendamment. Ces cartes fonctionnent sur une plage de tension d'alimentation de 2,7 V à 3,6 V, une plage de température de fonctionnement de -40 °C à 85 °C et un courant d'alimentation (ICC ) de 100 mA à 3,3 V.Caractéristiques
- Type de récepteur GNSS multibande
- Prend en charge les constellations GPS, Galileo, GLONASS et BeiDou
- Mode de synchronisation différentielle
- Prend en charge le système de satellite Quasi-Zenith (QZSS)
- Prend en charge le système d'augmentation basé sur satellite (SBAS)
- Données de navigation de diffusion et mesures du signal satellite
- Protocoles pris en charge :
- UBX
- NMEA 4.10
- RTCM 3,3
Caractéristiques techniques
- Embase à broches à 8 broches et pas de 2 mm
- Gamme de tension d'alimentation de 2,7 V à 3,6 V
- Plage de températures de fonctionnement : de -40 °C à +85 °C
- Courant d'alimentation 100 mA (ICC) à 3,3 V
- Plage de fréquence de signal d'impulsion temporelle configurable de 0,25 Hz à 25 MHz
- Gigue d'impulsion temporelle ±4 ns
Schéma fonctionnel
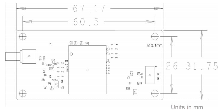
Plan mécanique
Publié le: 2021-08-02
| Mis à jour le: 2022-03-11
