TRACO Power TMR 10WIR 10W DC/DC Railway Converters

TRACO Power TMR 10WIR 10W DC/DC Railway Converters are ruggedized 10W DC/DC converters for high reliability in harsh environments. These TRACO Power DC/DC railway converters feature a wide 4:1 input range and increased resistance against electromagnetic interference (EMI), shock/vibration, and thermal shock. The devices come in a SIP-8 metal package and offer high efficiency of up to 89%, enabling a -40°C to +75°C operating temperature range without derating. The approvals, according to standards EN 50155 and EN 61373, qualify the TMR 10WIR series for railway and transportation systems. Additional qualifications for fire behavior of components according to EN 45545-2 and safety approval according to IEC/EN62368-1 and UL62368-1 support a potential compliance test of the application. Built-in input under-voltage-lockout, short-circuit protection, and remote on/off make this series suitable for almost any application demand.

Features

  • Compact SIP-8 metal case
  • EN 50155 and EN 61373 approval for railway applications
  • Qualification for fire behavior according to EN 45545-2
  • Wide 4:1 input voltage
    • 9VDC to 36VDC
    • 18VDC to 75VDC
    • 36VDC to 160VDC
  • -40°C to +75°C operating temperature range without derating
  • Up to 89% efficiency
  • 3000VDC I/O-isolation
  • Overload and short-circuit protection
  • Remote on/off function
  • 3-year product warranty

Applications

  • Railway systems
  • Transportation systems
  • Industrial
  • Harsh environments

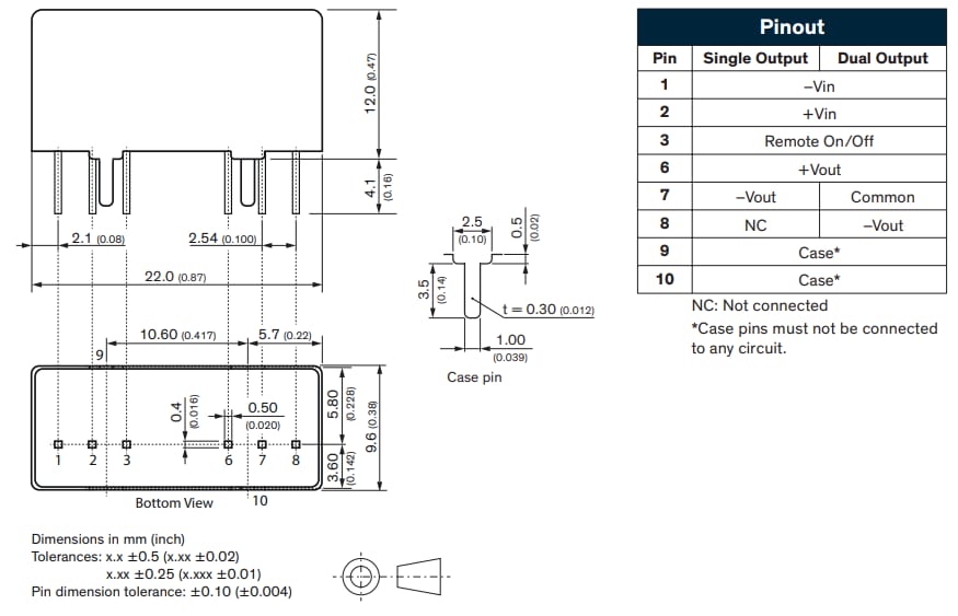
Dimensions

Mechanical Drawing - TRACO Power TMR 10WIR 10W DC/DC Railway Converters

Videos

Publié le: 2025-05-12 | Mis à jour le: 2026-01-30