Texas Instruments UCC2863x High Power Flyback Controllers
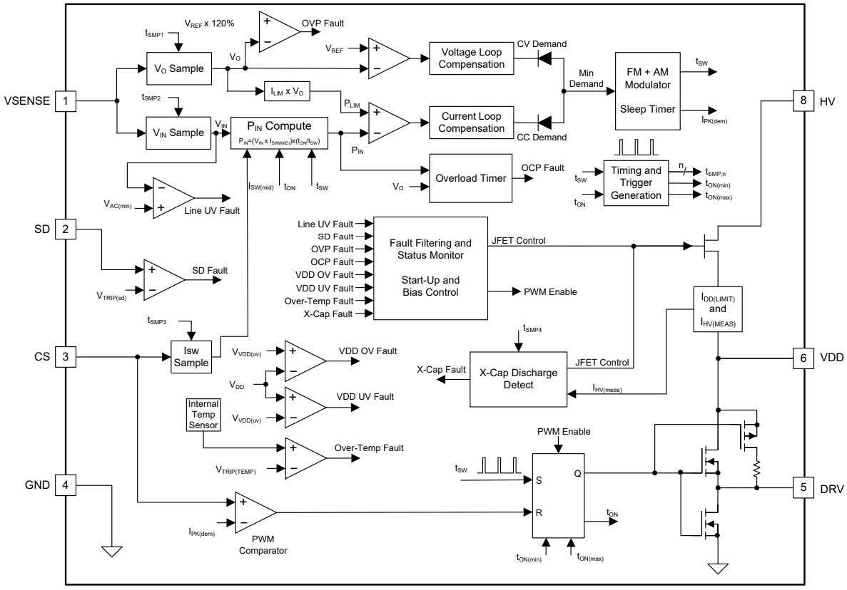
Texas Instruments UCC2863x High Power Flyback Controllers target high-power, primary-side regulated flyback converters. The ability to operate in both CCM and DCM makes the device suitable for applications with a wide power range. The peak power mode allows transient peak power delivery up to 200% of the nominal rating, with only a 25% peak current increase, maximizing transformer utilization. The transformer bias winding is used to sense output voltage for regulation and low-loss input voltage sensing. Advanced sampling techniques allow CCM operation and deliver excellent output voltage regulation performance for optocoupler-less designs at power levels of 100W and above.A high-voltage current source on the Texas Instruments UCC2863x enables fast and efficient start-up. Advanced light-load modes are deployed to reduce controller and system power consumption at no-load and light-load. These modes enable potential system designs to meet 30mW no-load power for power designs up to 30W nominal, 60W peak.
Features
- High-power, primary-side CV/CC regulation
- Continuous Conduction Mode (CCM) and Discontinuous Conduction Mode (DCM) operation
- Built-in 700V start-up current source
- Active X-capacitor discharge (UCC28630 and UCC28633)
- Adjustable Constant-Current (CC) mode limiting (except for UCC28630)
- High gate drive current 1A source and 2A sink
- Low power modes for < 30mW system standby
- Best-in-class light load (10%) efficiency >85%
- PSR design with no optocoupler - can meet high CM isolation and surge requirements
- VDD OVP for independent indirect output OV under open-feedback fault conditions
- Peak-power mode for transient overload
- Shutdown pin interface for external NTC
- Protections: Overvoltage, overcurrent, over temperature, overload timer (UCC28630), AC line UV, brownout, and pin protections
- Frequency dither to ease EMI compliance (except the UCC28632)
Applications
- AC-DC adapters for notebooks, game consoles, printers
- Open frame SMPS for industrial, printer, white goods, and LCD monitors
- Energy-efficient AC-DC supplies for nominal power 10W to 65W (with up to 200% transient peak power)
Functional Block Diagram
Publié le: 2018-05-18
| Mis à jour le: 2023-01-12
