Texas Instruments Commandes de grilles à canal unique UCC27614/UCC27614-Q1
Les Commandes de grilles à canal unique Texas Instruments UCC27614/UCC27614-Q1 sont des commandes de grilles de côté bas et à haute vitesse, susceptibles de piloter des commutateurs de puissance à MOSFET, à IGBT, à SiC et à GaN. Ces commandes se caractérisent par une intensité de pilotage de pointe standard de 10 A, ce qui réduit les temps de montée et de descente des commutateurs de puissance en diminuant ainsi les pertes de commutation et en augmentant le rendement. Le faible retard de propagation de dispositif UCC27614 permet d'améliorer le rendement d'étage de puissance en améliorant l'optimisation des temps morts, l'utilisation des largeurs d'impulsions, la réponse de boucle de commande et les performances de régimes transitoires de système. Les pilotes UCC27614-Q1 sont qualifiés AEC-Q100 pour les applications automobiles. Ces pilotes sont utilisés dans des alimentations électriques solaires, dans des tampons de haute puissance, dans des pilotes de transformateurs d'impulsions et dans des alimentations électriques à découpage destinées aux télécoms.La commande UCC27614 peut admettre une tension de -10 V à ses entrées, ce qui améliore la robustesse des systèmes présentant un rebond modéré de la terre. Les entrées sont indépendantes de la tension d'alimentation et peuvent être connectées à la plupart des sorties du contrôleur pour une flexibilité de contrôle maximale. Un signal d'activation séparé permet de contrôler l'étage de puissance indépendamment de la logique de contrôle principale. Le pilote de grille peut arrêter rapidement l'étage de puissance s'il y a une erreur dans le système (ce qui nécessite que le groupe motopropulseur soit éteint). La fonction d'activation améliore également la robustesse du système. De nombreuses alimentations à commutation haute fréquence présentent un bruit haute fréquence à la grille du dispositif d'alimentation, qui peut être injecté dans la broche de sortie du pilote de grille et peut entraîner un dysfonctionnement du pilote. L'UCC27614 fonctionne bien dans de telles conditions en raison de sa capacité de courant inverse transitoire et de tension inverse.
Le puissant MOSFET d'abaissement interne maintient la sortie à la baisse si la tension VDD est inférieure au seuil spécifié par l'UVLO. Cette fonctionnalité d'abaissement actif améliore encore la robustesse du système. Le courant d'entraînement de 10 A du composant UCC27614 dans le boîtier de 2 mm × 2 mm améliore la densité de puissance du système. Ce petit boîtier permet également un placement optimal du pilote de grille et une disposition améliorée.
Caractéristiques
- Courants de sortie source 10 A standard dissipateur 10 A
- Broches d'entrée et d'activation tolérant jusqu' à -10 V
- La tension maximale absolue VDD vaut 30 V.
- Large plage de fonctionnement de VDD, de 4,5 à 26 V, avec UVLO
- Disponible en boîtier SON8 2x2 mm
- Délai de propagation standard de 17,5 ns
- Broche EN (Enable) dans le boîtier SOIC8
- La broche IN- peut être utilisée pour activer/désactiver la fonctionnalité
- Seuils indépendants d'entrée de VDD (compatibilité TTL)
- Peut être utilisé comme pilote inverseur ou non inverseur
- Plage de température de jonction de fonctionnement de -40 °C à 150 °C
Applications
- Alimentations en mode commutation pour les télécommunications
- Circuits de correction du facteur de puissance (PFC)
- Alimentation en énergie solaire
- Commandes de moteurs
- Pilotes de ligne haute fréquence
- Pilotes de transformateur d'impulsions
- Tampons de haute puissance
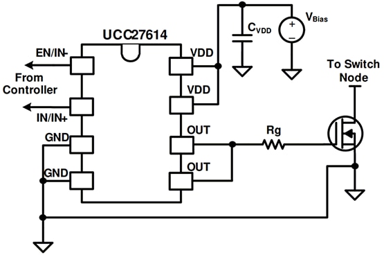
Schéma d'application simplifié
