Texas Instruments Pilotes demi-pont UCC27311A/UCC27311A-Q1
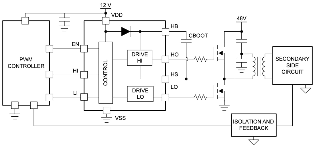
Les pilotes demi-pont UCC27311A/UCC27311A-Q1 de Texas Instruments sont des pilotes de grilles robustes conçus pour piloter deux MOSFET à canal N dans une configuration buck synchrone ou en demi-pont avec une tension d’amorçage maximale absolue de 120 V. Sa capacité de courant source de crête de 3,7 A et dissipateur de crête de 4,5 A permet au UCC27311A/UCC27311A-Q1 de piloter de grands MOSFET de puissance avec des pertes de commutation minimisées pendant la transition du plateau Miller. Le nœud de commutation (broche HS) peut gérer la tension transitoire négative, en protégeant le canal côté haut des tensions négatives inhérentes causées par la capacité de fuite et l’inductance parasite.Les entrées sont indépendantes de la tension d’alimentation et peuvent supporter les valeurs nominales maximales absolues de -10 V et +20 V. Les pilotes de grille côté bas et côté haut sont adaptés à 4 ns entre l’activation et la désactivation de l’un et de l’autre et sont contrôlés par les broches d’entrée LI et HI, respectivement. Une diode d’amorçage sur puce de 120 V nominales élimine la nécessité d’ajouter des diodes d’amorçage discrètes. Le verrouillage de sous-tension (UVLO) est prévu pour les pilotes côté bas et côté haut, ce qui offre un comportement symétrique à l’allumage et à l’extinction. Cette fonction force les sorties à s’éteindre si la tension de commande est inférieure au seuil spécifié. Les dispositifs UCC27311A-Q1 de Texas Instruments sont qualifiés AEC-Q100 pour les applications automobiles.
Caractéristiques
- Pilote deux MOSFET à canal N dans une configuration en demi-pont
- Plage de températures de jonction de -40 °C à +150 °C
- Tension maximale absolue de 120 V sur la broche HB
- Courants de sortie source de 4,5 A, absorbé de 3,7 A
- Plage de fonctionnement de 8 V à 17 V VDD (20 V abs max) avec UVLO
- -(28-VDD) V abs de tolérance transitoire négative maximale sur la broche HS (impulsion 100 ns)
- Diode d'amorçage intégrée
- -10 V à +20 V abs de tolérance maximale des broches d'entrée, indépendamment de la plage de tension d'alimentation (compatible TTL)
- Paramètres de commutation
- Retard de propagation standard de 20 ns
- Temps de montée de 7,2 ns et de descente de 5,5 ns avec charge de 1 000 pF
- Adaptation de retard standard de 4 ns
- Activation/désactivation de la fonctionnalité avec une faible consommation de courant (3 µA standard) lorsqu’elle est désactivée
Applications
- Optimiseurs d’énergie solaire et micro-convertisseurs
- Alimentations électriques commerciales et télécom
- ASI en ligne et hors ligne
- Systèmes de stockage d'énergie
- Équipement de test de batterie
Diagramme d'application standard
