Texas Instruments Pilotes demi-pont 120 V UCC27289
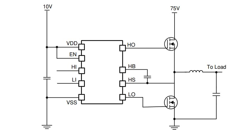
Les pilotes demi-pont 120 V UCC27289 de Texas Instruments sont des pilotes MOSFET à canal N robustes avec une tension nominale de nœud de commutation (HS) maximale de 100 V. Ces dispositifs permettent de contrôler deux MOSFET à canal N dans des topologies basées sur une configuration en demi-pont ou en Buck synchrone.Les pilotes UCC27289 de TI se caractérisent par un courant absorbé de crête de 3,5 A, un courant de source de crête de 2,5 A et une faible résistance de tirage et de rappel. Ces caractéristiques prennent en charge le pilotage de MOSFET de grande puissance avec des pertes de commutation minimales pendant la transition du plateau Miller de MOSFET. L'UCC27289 peut être utilisé avec des contrôleurs analogiques et numériques puisque les entrées sont indépendantes de la tension d'alimentation. Deux entrées sont totalement indépendantes les unes des autres, permettant ainsi de chevaucher deux sorties en cas de chevauchement des entrées, si nécessaire. La fonctionnalité d'activation et de désactivation offre une flexibilité supplémentaire au système en réduisant la consommation d'énergie du pilote et en répondant aux événements de défaut au sein du système.
Les caractéristiques de protection incluent le verrouillage en cas de sous-tension (UVLO) pour les étages de pilotage côté haut et côté bas, forçant les sorties à un niveau bas si la tension VDD est inférieure au seuil spécifié. Une diode d'amorçage intégrée élimine le besoin d'une diode discrète externe dans de nombreuses applications, économisant de l'espace sur la carte et réduisant le coût du système. L'UCC27289 est disponible en plusieurs boîtiers pour répondre aux exigences du système telles que la robustesse dans les environnements difficiles et la densité dans les applications compactes.
Caractéristiques
- Pilote deux MOSFET à canal N en configuration côté haut, côté bas
- Activer/désactiver la fonctionnalité dans le boîtier DRC
- Faible consommation de courant (7 μA) si désactivé
- Délai de propagation standard de 16 ns
- Montée de 12 ns, temps de chute de 10 ns avec une charge de 1 800 pF (standard)
- Correspondance de délai standard de 1 ns
- Diode d'amorçage de 100 V intégrée
- Verrouillage de sous-tension standard de 8 V
- Traitement de la tension négative maximale absolue sur les entrées (–5 V)
- Traitement de la tension négative maximale absolue sur HS (–14 V)
- Courant de sortie de source de 2,5 A, courant absorbé de 3,5 A
- Tension de démarrage maximale absolue de 120 V
- Les entrées sont indépendantes les unes des autres et VDD
- Verrouillage de sous-tension pour les deux canaux
- Spécifié pour une température de jonction de -40 °C à 140 °C
Applications
- PSU serveur et réseau de commerçants
- Redresseurs télécoms marchands
- Entraînement moteur BLDC à entrée CC
- Micro-onduleurs solaires
- Matériel de test et de mesure
Schéma d’application simplifié
