Texas Instruments Pilotes de grille demi-pont 120 V UCC27284/UCC27284-Q1
Les pilotes de grille demi-pont 120 V UCC27284/UCC27284-Q1 de Texas Instruments sont des pilotes MOSFET à canal N robustes avec une tension nominale maximale du nœud de commutation (HS) de 100 V. Ces composants permettent à deux MOSFET à canal N d'être contrôlés en topologies à configuration Buck synchrone ou en demi-pont. Les pilotes offrent un courant de dissipation maximal de 3,5 A et un courant de source maximal de 2,5 A, ainsi qu'une faible résistance d'élévation et d'abaissement, permettent au UCC27284-Q1 de piloter de grands MOSFET de puissance avec des pertes de commutation minimales pendant la transition du plateau Miller du MOSFET. Étant donné que les entrées sont indépendantes de la tension d'alimentation, l'UCC27284-Q1 peut être utilisé conjointement avec les contrôleurs analogiques et numériques. Deux entrées, et donc les sorties, peuvent se chevaucher, si nécessaire, dans des applications telles que le redressement synchrone à pont complet du côté secondaire.Les broches d'entrée, ainsi que la broche HS, peuvent tolérer une tension négative significative, ce qui améliore la robustesse du système. L'UVLO 5 V permet aux systèmes de fonctionner à des tensions de polarisation plus faibles, ce qui est nécessaire pour de nombreuses applications à haute fréquence et améliore le rendement du système dans certains modes de fonctionnement. Les caractéristiques de faible délai de propagation et de correspondance de retard minimisent les exigences de temps mort, ce qui améliore encore davantage l'efficacité. Le verrouillage de la sous-tension (UVLO) est prévu pour les étages d’entraînement côté haut et côté bas forçant les sorties bas si la tension VDD est inférieure au seuil spécifié. Une diode bootstrap intégrée élimine le besoin d’une diode discrète externe dans de nombreuses applications, ce qui économise de l’espace et réduit le coût du système. L'UCC27284-Q1 Texas Instruments est proposé en boîtier SOIC pour les environnements systèmes difficiles.
Caractéristiques
- Homologué AEC-Q100 avec les résultats suivants (UCC27284-Q1)
- Classe de température 1 (TJ = –40° C à 150° C)
- Niveau 1B de classification d'appareil HBM ESD
- Niveau C3 de classification d'appareil CDM ESD
- Pilote deux MOSFET à canal N en configuration côté haut côté bas
- Verrouillage de sous-tension standard 5 V
- Délai de propagation standard de 16 ns
- Montée de 12 ns, temps de descente de 10 ns avec une charge de 1,8 nF
- Correspondance de délai standard de 1 ns
- Traitement de tension négative 5 V sur les entrées
- Traitement de tension négative 14 V sur HS
- Courants de sortie Source 2,5 A, dissipation 3,5 A
- Tension de démarrage maximale absolue 120 V
- Diode d'amorçage intégrée
Applications
- Convertisseurs CC/CC automobiles
- Direction assistée électrique
- Chargeur embarqué (OBC)
- Générateur-démarreur à courroie intégrée (iBSG)
- Modules de compresseur CVC automobiles
Fiches techniques
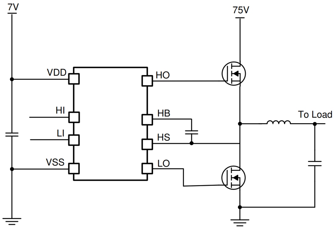
Schéma d’application simplifié
