Texas Instruments Redresseurs de niveau unidirectionnels TXU0204/TXU0204-Q1
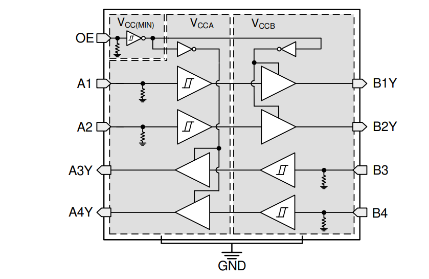
Les redresseurs de niveau unidirectionnels TXU0204/TXU0204-Q1 de Texas Instruments sont des dispositifs de conversion de niveau de tension à direction fixe à double alimentation non inverseurs. Les redresseurs de niveau TXU0204-Q1 sont homologués AEC-Q100 pour les applications automobiles.Les broches axiales de décalage de niveau unidirectionnelles TXU0204/TXU0204-Q1 de TI sont référencées au niveau logique VCCA. La broche OE peut être référencée aux niveaux logiques VCCA ou VCCB et les broches Bx sont référencées aux niveaux logiques VCCB. Le port A et le port B peuvent tous deux accepter des tensions d'entrée allant de 1,1 V à 5,5 V. La transmission de données de direction fixe peut se produire de A à B ou B à A lorsque l'OE est trop élevée par rapport à l'alimentation. Lorsque l'OE est réglé sur faible, toutes les broches de sortie sont à l'état d'impédance élevée.
Caractéristiques
- Homologation AEC-Q100 pour les applications automobiles (TXU0204-Q1)
- La conception à double rail entièrement configurable permet à chaque port de fonctionner de 1,1 V à 5,5 V
- Prise en charge jusqu'à 200 Mbit / s pour 3,3 V à 5,0 V
- Les entrées à bascule de Schmitt permettent des entrées lentes et bruyantes
- Les entrées avec résistances d'abaissement statiques intégrées empêchent les canaux de flotter
- Haute résistance d'entraînement (jusqu'à 12 mA à 5 V)
- Faible consommation électrique
- 2,5 µA maximum (25°C) (TXU0204)
- 3 µA maximum (25°C) (TXU0204-Q1)
- 6 µA maximum (–40°C à 125 C)
- Caractéristiques d'isolation VCC et de déconnexion VCC (Idéchargement)
- Si l'entrée VCC est < 100 mV ou déconnectée, toutes les sorties sont désactivées et deviennent une haute impédance
- Ioff prend en charge le fonctionnement en mode de mise hors tension partielle
- Logique de contrôle (OE) avec circuit VCC(MIN) permettant un contrôle depuis un port A ou B
- Brochage compatible avec les redresseurs de niveau de la famille TXB
- Disponible dans autres variantes qui prennent en charge des applications courantes : TXU0104, TXU0104-Q1, TXU0304, TXU0304-Q1
- Température de fonctionnement de –40°C à +125 C
- La performance de verrouillage dépasse 100 mA selon JESD 78, catégorie II
- La protection ESD dépasse JESD 22
- Modèle corps humain 2 500 V
- Modèle dispositif chargé 1 500 V
Applications
- Élimine les signaux d'entrée lents ou bruyants
- Voyants lumineux de pilotage ou vibreurs
- Débrayage d'un interrupteur mécanique
- Décalage de niveau E/S à usage général
- Décalage de niveau pousser-tirer (UART, SPI, JTAG, etc.)
Fiches techniques
Ressources supplémentaires
Diagramme fonctionnel
Publié le: 2021-07-13
| Mis à jour le: 2022-04-28
