Texas Instruments Convertisseur de niveau de tension 4 bits TXB0304
Le convertisseur de niveau de tension bidirectionnel 4 bits TXB0304 Texas Instruments, à détection automatique de direction, utilise deux rails séparés de configuration d'alimentation. Ce composant TI dispose de tensions d'alimentation totalement symétriques entre 0,9 V et 3,6 V sur le port A et le port B. Le convertisseur de niveau de tension TXB0304 de TI dispose également d'une isolation VCC qui met toutes les sorties en état de haute impédance si une entrée VCC quelconque est à la terre. Le TXB0304 de TI dispose d'une faible consommation énergétique au maximum de 5 µA (ICCA ou ICCB). Le circuit IOFF supporte un mode de fonctionnement à alimentation partielle.Caractéristiques
- Fully Symmetric Supply Voltages. 0.9V to 3.6V on A Port and 0.9V to 3.6V on B Port
- VCC Isolation Feature - If Either VCC Input Is at GND, All Outputs Are in the High-Impedance State
- OE Input Circuit Referenced to VCCA
- Low Power Consumption, 5µA Max (ICCA or ICCB)
- IOFF Supports Partial-Power-Down Mode Operation
- Latch-Up Performance Exceeds 100mA Per JESD 78, Class II
- ESD Protection Exceeds JESD 22
- 8000-V Human-Body Model (A114-B)
- 1000-V Charged-Device Model (C101)
Applications
- Personal Electronics
- Industrial
- Enterprise
- Telecom
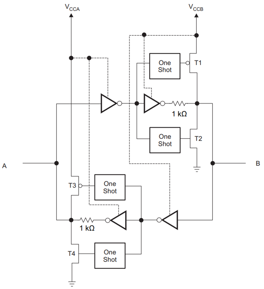
Functional Block Diagram
Publié le: 2012-03-01
| Mis à jour le: 2022-03-11
