Texas Instruments Décalage de niveau de tension bidirectionnel 4 bits TXB0104
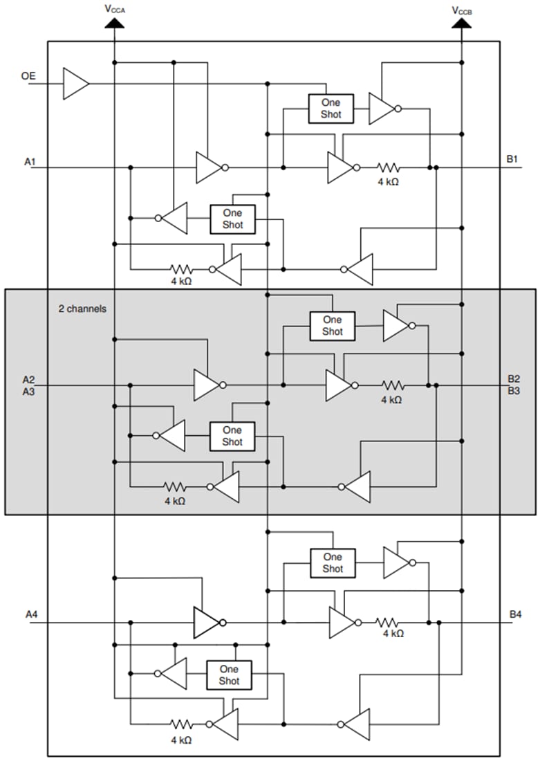
Le décaleur de niveau de tension bidirectionnel 4 bits TXB0104 de Texas Instruments utilise deux rails d'alimentation configurables séparés. L’accès A est conçu pour surveiller VCCA qui accepte n’importe quelle tension d’alimentation comprise entre 1,2 V et 3,6 V. L’accès B est conçu pour surveiller VCCB qui accepte n’importe quelle tension d’alimentation comprise entre 1,65 V et 5,5 V. Cette caractéristique permet une conversion bidirectionnelle universelle à basse tension entre les nœuds de tension 1,2 V 1,5 V 1,8 V 2,5 V 3,3 V et 5 V. VCCA ne doit pas dépasser VCCB.Lorsque l'entrée OE est basse, toutes les sorties sont placées dans un état de haute impédance. Pour garantir l’état de haute impédance lors de la mise sous tension ou de la mise hors tension, OE doit être relié à GND par l’intermédiaire d’une résistance d’abaissement. La capacité d’alimentation en courant du pilote détermine la valeur minimale de la résistance. Le TXB0104 de Texas Instruments est conçu de manière à ce que le circuit d’entrée OE soit alimenté par VCCA. Ce dispositif est entièrement spécifié pour les applications de mise hors tension partielle utilisant IOFF. La circuiterie IOFF désactive les sorties, évitant d’endommager le flux de retour du courant qui traverse l’appareil lorsqu’il est éteint.
Caractéristiques
- De 1,2 V à 3,6 V sur l’accès A et de 1,65 V à 5,5 V sur l’accès B (VCCA ≤ VCCB)
- Fonction d’isolation VCC (si l’une des entrées VCC est à GND, toutes les sorties sont à l’état de haute impédance)
- Circuit d’entrée de validation de sortie (OE) référencé à VCCA
- Consommation à faible puissance, ICC de 5 µA maximum
- IOFF prend en charge l’exploitation en mode de mise hors tension partielle
- La performance de verrouillage dépasse 100 mA selon JESD 78, classe II
- La protection DES dépasse les normes JESD 22
- Accès A
- Modèle de corps humain (A114-B) de 2 500 V
- Modèle du dispositif chargé (C101) de 1 500 V
- Accès B
- Modèle de corps humain (A114-B) de ±15 kV
- Modèle du dispositif chargé (C101) de 1 500 V
- Accès A
Applications
- Casques
- Smartphones
- Tablettes
- PC de bureau
Schéma fonctionnel
Datasheets
Publié le: 2020-12-15
| Mis à jour le: 2025-08-21
