Texas Instruments Module d'évaluation TPSM8S6C24SEVM
Le module d'évaluation TPSM8S6C24SEVM de Texas Instruments est conçu pour évaluer le périphérique TPSM8S6C24 et se familiariser avec le composant jusqu'à la commande PmBus® et la protection en écriture étendue. Le TPSM8S6C24 est un module convertisseur abaisseur configurable à sortie unique. Ce module d'évaluation fonctionne sur une plage de tension d'entrée 5 V à 16 V. La carte d'évaluation TPSM8S6C24SEVM utilise un bus nominal 12 V pour produire une tension de sortie régulée 1,2 V jusqu'à 35 A de courant de charge. Ce module d'évaluation permet la programmation et la surveillance via l'interface PmBus. La carte TPSM8S6C24SEVM est utilisée dans les centres de données, les serveurs rack, les systèmes d'antennes actives, les radios distantes, les unités de bande de base, les équipements de test automatisés, les IRM, les ASIC, les SoC et les FPGA.Caractéristiques
- Évaluation du module d'alimentation TPSM8S6C24 à l'aide des points de test fournis sur l'EVM
- Évaluation de la configuration et de la surveillance des appareils TPSM8S6C24 à l'aide de l'interface utilisateur graphique Fusion
- Tension de sortie régulée 1,2 V
- Courant de charge de sortie CC jusqu'à 35 A
- Points de test pratiques pour sonder les formes d'onde critiques
- Connecteur PmBus pour une connexion facile avec l'adaptateur USB
Applications
- Systèmes d'antennes actives
- Commutateurs pour centres de données et serveurs rack
- Radios et unités de bande de base à distance
- Équipement de test automatisé, CT, PET et IRM
- Tensions ASIC, SoC, FPGA, cœur DSP et E/S
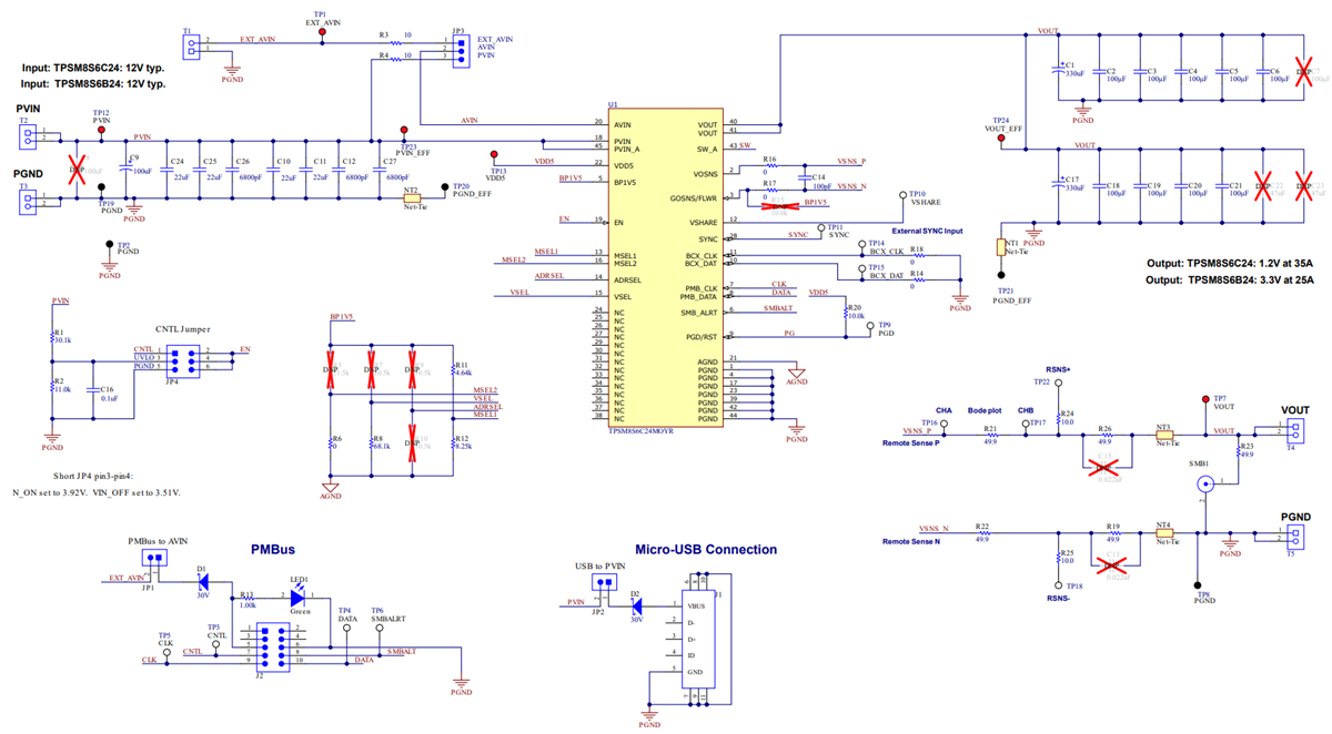
Schéma
Publié le: 2024-01-10
| Mis à jour le: 2024-02-01
