Texas Instruments Module d'alimentation à abaisseur SWIFT™ TPSM843B22
Le module d'alimentation abaisseur SWIFT™ TPSM843B22 de Texas Instruments est un module Buck synchrone de18 V, 20 A à haut rendement utilisant une architecture de contrôle en mode courant avancé (ACM) à fréquence fixe et compensé en interne. Pendant que l'appareil fonctionne en continu sous FCCM, il génère des tensions de sortie de 0,5 V à 7 V. Le module peut fournir un rendement élevé tout en fonctionnant à une fréquence de commutation allant jusqu'à 2,2 MHz. Le TPSM843B22 de Texas Instruments se présente dans un boîtier surmoulé de 6,5 mm x 7,5 mm x 4 mm, ce qui le rend optimal pour les conceptions nécessitant une solution de petite taille. Les caractéristiques supplémentaires incluent une référence de tension de haute précision, des temps de démarrage progressif sélectionnables, un démarrage monotone dans des sorties pré-polarisées, des limites de courant sélectionnables, un UVLO réglable via la broche EN et une suite complète de protections contre les défaillances.Caractéristiques
- Contrôle de mode courant avancé (ACM) à fréquence fixe compensée en interne
- MOSFET 6,5 mΩ et 2 mΩ intégrés, inducteur et composants passifs de base
- Plage de tension d'entrée de 4 V à 18 V
- Plage de tensions de sortie de 0,5 V à 7 V
- Amplificateur de télédétection (RSA) véritablement différentiel
- Trois options de rampe PWM sélectionnables pour optimiser les performances de la boucle de commande
- Cinq fréquences de commutation sélectionnables de 500 kHz, 750 kHz, 1 MHz, 1,5 MHz et 2,2 MHz
- Synchronisable à une horloge externe
- Précision de la référence de tension de 0,5 V, ±0,5 % sur l'ensemble de la plage de températures
- Durées de démarrage progressif sélectionnables de 1 ms, 2 ms, 4 ms et 8 ms
- Démarrage monotone vers des sorties pré-polarisées
- Activation avec verrouillage de sous-tension d'entrée réglable
- Moniteur de sortie Power Good
- Protection contre la surtension de sortie, la sous-tension de sortie, la sous-tension d'entrée, la surintensité et la surchauffe
- Température de fonctionnement de jonction de –40 °C à +125 ºC
- boîtier QFN surmoulé à 25 broches, 6,5 mm × 7,5 mm × 4,0 mm
- Sans plomb (conforme à la directive RoHS)
- Brochage compatible avec les 16 A — TPSM843A26 et 12 A — TPSM843A22
Applications
- Équipement d'infrastructure de communications filaires et sans fil
- Réseaux optiques et fibres
- Test et mesure
- Médecine et santé
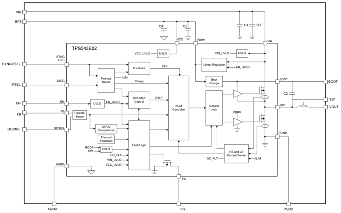
Schéma fonctionnel
Ressources supplémentaires
- Prolonger la durée de vie de la batterie avec un convertisseur élévateur
- Présentation de l'application : Résoudre les défis de conception de puissance dans les applications d'imagerie médicale
- FAQ : Comment choisir le meilleur pilote de grille à demi-pont pour les applications d'entraînement de moteur à courant continu ?
Publié le: 2023-09-18
| Mis à jour le: 2023-11-29
