Texas Instruments Module d’alimentation Buck TPSM843321
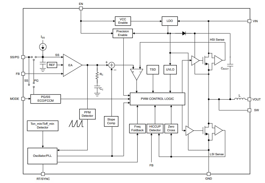
Le module d’alimentation TPSM843321 Buck de Texas Instruments fournit une plage de tension d’entrée de fonctionnement de 3,8 V à 18 V avec une grande flexibilité de conception. Le TPSM843321 est un module d’alimentation Buck synchrone à haute densité de puissance, à haut rendement et facile à utiliser, développé pour les systèmes alimentés par les rails de bus d’alimentation de 5 V ou 12 V. Le module d’alimentation prend en charge un courant de sortie continu de 3 A et un rapport cyclique maximal de 98 %.Le TPSM843321 de TI utilise un contrôle de courant de crête à fréquence fixe avec compensation interne pour une réponse transitoire rapide et un excellent réglage de charge et de ligne. Grâce à la compensation optimisée de la boucle interne, le dispositif élimine l’exigence de compensation externe sur une large plage de tensions de sortie et une fréquence de commutation.
Le TPSM843321 offre des fonctions de protection, notamment l’arrêt thermique, le verrouillage en cas de sous-tension d’entrée, la limite du courant cycle par cycle et la protection contre les courts-circuits.
Le dispositif est conçu dans un boîtier QFN de 9 broches, de 3,3 mm × 4,5 mm, et le brochage est disponible pour une configuration de PCB à couche unique. De plus, la température de jonction du TPSM843321 est établie de -40 °C à 125 °C.
Caractéristiques
- Configuré pour une large gamme d’applications
- Plage de tension d’entrée de 3,8 V à 18 V
- Plage de tensions de sortie de 0,6 V à 12 V
- Courant de sortie continu jusqu’à 3 A
- Tension de référence de 0,6 V ±1 % (de -40 °C à 125 °C)
- Faible courant de repos de 28 uA (standard)
- Temps minimum d’allumage/d’arrêt de 70 ns, 114 ns
- Temps de commutation maximal de 8 us
- Rapport cyclique maximal de 98 %
- Facilité d’utilisation et conception de petite taille
- Mode de contrôle du courant de crête avec compensation interne
- Fréquence sélectionnable de 200 kHz à 2,2 MHz
- Synchronisable à une horloge externe (prise en charge du déphasage) à 200 kHz à 2,2 MHz
- PFM/FCCM sélectionnable en condition de charge légère
- Température de fonctionnement de jonction de -40 °C à 125 °C
- Fonction d’indicateur de bonne alimentation/temps de démarrage progressif réglable sélectionnable
- Bonne performance EMI avec spectre de fréquence étendue et brochage optimisé
- Protection contre les surintensités en mode hoquet (OC) pour les MOSFET côté haut et côté bas
- Protections non verrouillées pour la protection contre la surchauffe (OTP), la protection contre la surintensité (OCP), la protection contre la surtension (OVP), la protection contre la sous-tension (UVP) et le verrouillage de la sous-tension (UVLO)
- Condensateur autoélévateur et inductance intégrés pour faciliter la conception du PCB
- Boîtier QFN de 3,3 mm x 4,5 mm x 2 mm
- Créent une conception personnalisée avec le TPSM843321 en utilisant le concepteur de puissance WEBENCH®
Applications
- Médecine et santé
- Test et mesure
- Automatisation du bâtiment
- Réseau câblé, infrastructure sans fil
- Systèmes d’alimentation distribuée avec entrée de 5 V et 12 V
Schéma simplifié
Schéma fonctionnel
