Texas Instruments Pilotes de commutateur isolé TPSI3100/TPSI3100-Q1
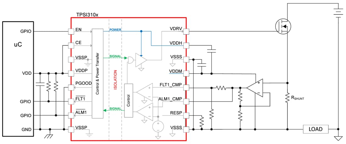
Les pilotes de commutateur isolé TPSI3100/TPSI3100-Q1 de Texas Instruments sont des dispositifs isolés intégrés qui, lorsqu'ils sont combinés avec un commutateur d'alimentation externe, forment une solution de relais à semi-conducteurs entièrement isolée. Avec une tension de commande de grille de 15,8 V et un courant source/dissipateur de 1,5/2,5 A, de nombreux commutateurs de puissance peuvent être utilisés pour répondre à de nombreux besoins d'application. Ce pilote fournit une alimentation supplémentaire via le rail nominal de 5 V (VDDM) pour que les circuits auxiliaires exécutent des fonctions, notamment la surveillance du courant et de la tension ou la détection de température à distance. Le TPSI3100-Q1 est homologué AEC-Q100 pour les applications automobiles.Les pilotes TPSI3100/TPSI3100-Q1 de Texas Instruments disposent d'une fiabilité supérieure, d'une consommation d'énergie inférieure et des plages de température accrues par rapport à celles trouvées avec les relais mécaniques et les optocoupleurs traditionnels. Ces pilotes sont utilisés dans des applications telles que les chargeurs embarqués, les relais à semi-conducteurs, l'automatisation des bâtiments et les systèmes de gestion de batterie.
Caractéristiques
- Moteurs des transistors de puissance externes
- Aucune alimentation secondaire isolée n'est requise
- Commande de grille de 15,8 V, courant source de crête et de dissipation de 1,5 A/2,5 A
- Isolement renforcé à 5 kVRMS
- Alimentation de 5 V, jusqu'à 25 mW, pour circuiterie auxiliaire externe
- Deux comparateurs isolés à haut débit avec tension de référence intégrée de ±1,5 %
- Sorties à drain ouvert pour les indicateurs de défaut et d'alarme
- Qualifiés AEC Q-100 pour les applications automobiles (TPSI3100-Q1)
- Classe de température 1 (de -40 °C à +125 °C, TA)
- Compatible avec la sécurité fonctionnelle
- Documentation disponible pour aider à la conception de systèmes de sécurité fonctionnels
- Certifications liées à la sécurité
- Prévu : isolation renforcée à 7070 VPK conformément à DIN EN IEC 60747-17 (VDE 0884-17)
- Prévu : isolation à 5 kVRMS pendant 1 minute conformément à UL 1577
Applications
- Relais à semi-conducteurs
- Système de gestion de batterie
- Chargeur embarqué
- Systèmes hybrides, électriques et groupes motopropulseurs
- Immotique
- Automatisation et commande d'usine
Fiches techniques
Schéma simplifié
Publié le: 2024-02-09
| Mis à jour le: 2025-11-14
