Texas Instruments Pilote de commutateur isolé TPSI3052/TPSI3052-Q1
Les pilotes de commutateur isolé TPSI3052/TPSI3052-Q1 de Texas Instruments sont entièrement intégrés lorsqu'ils sont combinés avec un commutateur d'alimentation externe, formant un relais statique (SSR) complètement isolé. Avec une tension de commande de grille nominale de 15 V avec un courant de dissipation et une source de crête de 1,5/3,0 A, une large variété de commutateurs d'alimentation externes peut être choisie pour répondre à un large éventail d'applications. Le TPSI3052/TPSI3052-Q1 génère son propre circuit de polarisation secondaire à partir de l'alimentation reçue de son côté primaire, il n'est donc pas nécessaire d'avoir un circuit de polarisation secondaire isolé. De plus, le TPSI3052/TPSI3052-Q1 peut, en option, alimenter une circuiterie externe de soutien pour répondre aux besoins de diverses applications. Les dispositifs TPSI3052-Q1 sont qualifiés AEC-Q100 pour les applications automobiles.Caractéristiques
- Aucune alimentation secondaire isolée requise
- Pilote des transistors de puissance externes ou des SCR
- Isolation renforcée de 5 kVRMS
- Commande de grille 15 V avec courant source et dissipateur de crête 1,5 A/3 A
- Alimentation jusqu'à 50 mW pour circuiterie auxiliaire externe
- Prend en charge la commutation CA ou CC
- Prend en charge les modes à deux ou trois fils
- Compatible avec la sécurité fonctionnelle :
- Documentation disponible pour aider à la conception de systèmes de sécurité fonctionnels
- Sept niveaux de transfert de puissance et résistance sélectionnable
- HomologuéS AEC-Q100 pour les applications automobiles :
- TA classe de température 1, de -40 à 125 °C
- Certifications liées à la sécurité
- Isolation renforcée prévue de 7071VPK conformément à la norme DIN EN CEI 60747-17 (VDE 0884-17)
- Isolation prévue de 5 kVRMS pendant 1 minute conformément à la norme UL 1577
Applications
- Relais statiques (SSR)
- Système de gestion de batterie
- Chargeur embarqué
- Systèmes hybrides, électriques et groupes motopropulseurs
- Immotique
- Automatisation et commande d'usine
Fiches techniques
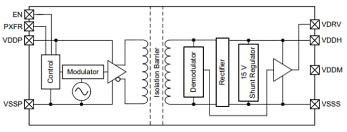
Schéma fonctionnel
Schéma d'application
Publié le: 2023-02-20
| Mis à jour le: 2025-06-02
