Texas Instruments Gestionnaire de matrice LED TPS92665
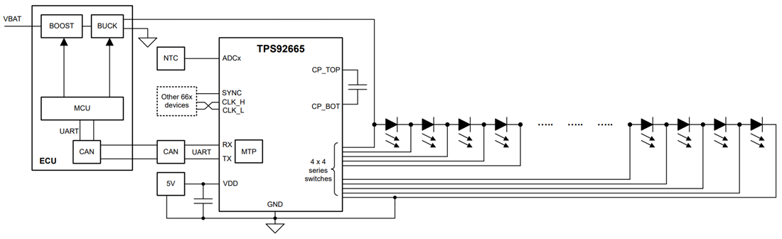
Le gestionnaire de matrice LED TPS92665 de Texas Instruments permet des solutions d'éclairage adaptatif entièrement dynamiques en fournissant un contrôle individuel des LED au niveau du pixel. Le composant comprend quatre sous-chaînes de quatre commutateurs intégrés connectés en série pour contourner les LED individuelles. Les sous-chaînes individuelles permettent au dispositif d'accepter des sources de courant simples ou multiples.Le TPS92665 dispose d'un oscillateur interne. L'oscillateur interne peut être partagé avec d'autres dispositifs du système via l'émetteur et les blocs récepteurs LVDS internes à faible bruit. L'interface série UART (émetteur-récepteur asynchrone universel) à chutes multiples est compatible avec les dispositifs TPS92664, TPS92667, TPS92662x et TPS92663x. Un CAN embarqué avec entrées multiplexées échantillonne tous les canaux LED, et la température de la puce CI. Le CAN échantillonne également des entrées CAN dédiées pour une utilisation avec la compensation de température du système, la mise en bac de LED et le codage.
Le TPS92665 de Texas Instruments intègre des registres pour la programmation du déphasage et de la largeur d'impulsion de chaque LED individuelle dans la chaîne et pour le signalement des LED ouvertes, des courts-circuits et des paramètres fonctionnels.
Caractéristiques
- Homologué AEC-Q100 pour les applications automobiles
- Classe 1 (température ambiante de -40 °C à +125 °C)
- Niveau de classification de composant HBM H1C
- Niveau de classification C5 CDM des dispositifs
- Compatible avec la sécurité fonctionnelle
- Documentation disponible pour aider à la conception de systèmes de sécurité fonctionnels
- 16 commutateurs de dérivation intégrés
- Gradation MLI 10 bits programmable
- Contrôle du taux de dérive programmable
- Détection et protection de LED ouvertes
- Détection de court-circuit d'une seule LED
- Communication série UART
- Oscillateur interne pour l'horloge du système
- Pilote d'horloge LVDS pour la synchronisation des dispositifs
- Compatible avec la génération LMM précédente
- Compatible avec l'émetteur-récepteur CAN
- CAN intégré
- Tension LED pour chaque commutateur
- Température de la puce
- 2 entrées CAN générales (compatibles thermistances)
Applications
- Systèmes de phares automobiles
- Faisceau de route sans ADB ni éblouissement
- Virage séquentiel, feux de circulation diurne animés
Application simplifiée
