Texas Instruments Pilote LED quadricanal TPS92624-Q1
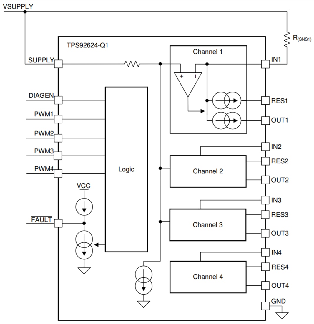
Le pilote LED quadricanal TPS92624-Q1 de Texas Instruments comprend une conception de gestion thermique unique pour réduire la montée de température sur le dispositif. Le TPS92624-Q1 est un pilote linéaire alimenté par les batteries automobiles, avec des variations de tension importantes pour des charges de sortie à courant plein jusqu'à 150 mA par canal. Les résistances shunt externes sont exploitées pour partager le courant de sortie et dissiper la puissance hors du pilote. Les capacités de diagnostic complètes du dispositif incluent l'ouverture de la LED, le circuit de court-circuit à la terre de la LED et la protection contre la surchauffe du dispositif.La caractéristique tout-ou-rien du TPS92624-Q1 de Texas Instruments peut fonctionner avec d'autres pilotes LED, tels que les dispositifs TPS9261x-Q1, TPS9262x-Q1 TPS92630/8-Q1 et TPS92830-Q1, pour répondre à différentes exigences.
Caractéristiques
- Homologué AEC-Q100 pour les applications automobiles
- Classe de température 1 (–40 °C à 125 °C, TA)
- Large plage de tension d'entrée de 4,5 V à 40 V
- Partage thermique par une résistance shunt externe
- Faible courant d'alimentation en mode défaut
- Quatre régulations de courant de haute précision
- Sortie de courant jusqu'à 150 mA pour chaque canal
- Précision de ±5 % sur l'ensemble de la plage de température
- Réglage de courant indépendant par résistance
- Broche PWM indépendante pour le contrôle de la luminosité
- Faible chute de tension
- 600 mV à une chute maximale de 150 mA
- Diagnostics et protection
- LED à circuit ouvert avec récupération automatique
- LED à court-circuit vers GND avec récupération automatique
- L'activation du diagnostic est fournie avec un seuil ajustable
- Bus de défaillance configurable comme un seul canal défaillant entraîne une défaillance globale ou désactivation du seul canal défaillant (N-1)
- Arrêt thermique
- Plage de température de jonction de fonctionnement de -40 °C à +150 °C
Caractéristiques
- Éclairage arrière extérieur automobile (lampe arrière, feu stop à montage central élevé, marqueur latéral)
- Petit éclairage extérieur automobile : poignée de portière, indicateur de détection de point mort, entrée de charge
- Éclairage intérieur automobile : plafonnier, liseuse
- Applications de pilote de LED à usage général
Diagramme fonctionnel
Publié le: 2022-05-11
| Mis à jour le: 2025-03-06
