Texas Instruments Contrôleur Boost synchrone TPS92542-Q1
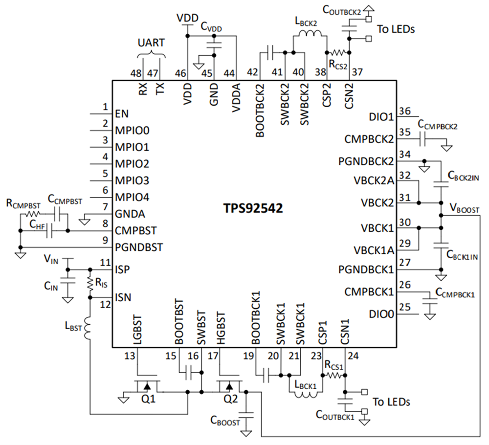
Le contrôleur Boost synchrone TPS92542-Q1 de Texas Instruments contient un contrôleur Boost synchrone et un pilote LED synchrone monolithique à deux canaux avec une large plage de tension d'entrée Buck fonctionnelle de 4,5 V à 65 V. Le contrôleur Boost synchrone met en œuvre un contrôleur en mode de tension de crête pour fonctionner en mode de tension constante. Le Boost peut être programmé pour fonctionner en double phase ou en triple phase avec d'autres dispositifs TPS9254x. La tension de sortie peut être programmée à l'aide d'un CNA 8 bits programmable. Le contrôleur boost intègre une technique de modulation de fréquence programmable pour la réduction des EMI.Le convertisseur abaisseur (buck) synchrone met en œuvre un contrôle de courant moyen en mode adaptatif pour générer une tension de sortie constante (CV) ou un courant constant (CC). Le buck est compatible avec les techniques de graduation FET shunt et les projecteurs à faisceau dynamique basés sur le gestionnaire de matrice LED en mode CC. En mode CV, le contrôle adaptatif de la durée d'impulsion permet une utilisation avec une large largeur de bande et une réponse transitoire rapide. Le contrôle fournit une fréquence de commutation quasi constante réglée entre 100 kHz et 1,0 MHz. La détection de courant et le retour en boucle fermée de l'inductance produisent une précision supérieure à ±4 % sur une large gamme de tension d'entrée, tension de sortie et température ambiante. En mode CC, le convertisseur abaisseur peut moduler indépendamment le courant des LED en utilisant des techniques de graduation analogique ou MLI.
L'interface série UART est compatible avec les dispositifs TPS9266x et TPS9254x. L'EEPROM interne peut stocker les valeurs par défaut du système, le calibrage et les données du module d'éclairage. Les cinq MPIO configurables et les deux DIO peuvent être configurées comme entrées ou sorties numériques ou comme entrées CAN. Le TPS92542-Q1 de Texas Instruments est disponible dans un boîtier HTQFP de 48 broches de 7,0 mm × 7,0 mm avec un plot supérieur exposé, amélioré thermiquement.
Caractéristiques
- Homologué AEC-Q100 pour les applications automobiles
- Classe 1 de température de fonctionnement ambiante de –40 °C à +125 °C
- Niveau de classification HBM du dispositif H1C
- Dispositif de niveau de classification CDM C5
- Fonction de sécurité fonctionnelle avec documentation disponible pour faciliter la conception du système de sécurité fonctionnelle
- Large plage de tension d'entrée de 4,5 V à 65 V
- Convertisseur abaisseur synchrone à deux canaux avec commutateurs intégrés
- Utilisation configurable à tension constante (CV) et à courant constant (CC)
- Courant de sortie continu jusqu'à 2 A
- Précision de régulation de 4 % (mode tension et courant)
- Contrôleur boost synchrone avec tension de sortie programmable jusqu'à 65 V
- Spectre étalé boost et buck pour l'atténuation de l'EMI
- Protection thermique du commutateur buck
- Communication série UART
- Oscillateur interne pour l'horloge du système
- Compatible LMM
- EEPROM interne
- Paramètres par défaut
- Données d'étalonnage client
Applications
- Phares automobiles
- Modules de pilotage LED adaptatifs
Schéma simplifié
