Texas Instruments Pilote LED Buck synchrone TPS92520-Q1
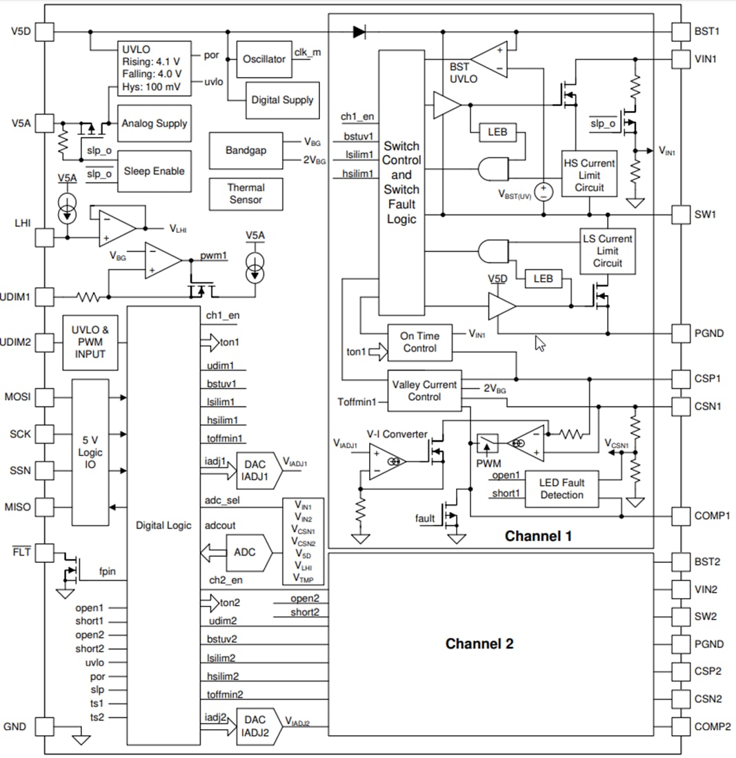
Le pilote LED Buck synchrone TPS92520-Q1 de Texas Instruments est un double pilote LED Buck synchrone monolithique avec une large plage de tension d'entrée de fonctionnement de 4,5 V à 65 V qui peut alimenter indépendamment deux chaînes de LED connectées en série. Le TPS92520-Q1 met en œuvre un contrôle adaptatif en temps réel du mode courant moyen et est conçu pour être compatible avec les techniques de graduation de FET shunt et les projecteurs à faisceau dynamique basés sur le gestionnaire de matrice LED. Le contrôle adaptatif du temps actif fournit une fréquence de commutation quasi-constante définie entre 100 kHz et 2,2 MHz. La détection de courant d'inducteur TPS92520-Q1 de Texas Instruments et la rétroaction en boucle fermée permettent une précision supérieure à ±4 % sur une large plage de tension d'entrée, de tension de sortie et de température ambiante.Le pilote LED à hautes performances peut moduler indépendamment le courant de LED à l'aide de techniques de graduation analogiques ou MLI. La réponse de graduation analogique linéaire avec une plage de plus de 16:1 est obtenue en programmant la valeur IADJ 10 bits via SPI. La graduation MLI du courant LED est obtenue en modulant directement la broche d'entrée UDIM correspondante avec le rapport cyclique souhaité ou en activant le circuit générateur MLI interne. Le générateur MLI traduit la valeur de registre MLI 10 bits en rapport cyclique correspondant en la comparant à un compteur numérique programmable.
Le TPS92520-Q1 intègre un diagnostic programmable SPI avancé et une protection contre les défauts avec une limite du courant de commutateur cycle par cycle, une sous-tension d'amorçage, une LED ouverte, un court-circuit LED, un avertissement thermique et une coupure thermique. Un CAN 10 bits embarqué échantillonne les paramètres d'entrée critiques requis pour la surveillance et les diagnostics de la santé du système. Le TPS92520-Q1 est disponible en boîtier HTSSOP 32 broches endurci thermiquement de 8,1 mm x 11 mm avec une plaquette à partie supérieure exposée et à partie inférieure exposée de 2,75 mm x 3,45 mm.
Caractéristiques
- Homologué AEC-Q100 pour les applications automobiles
- Température de fonctionnement ambiante de classe 1 de –40 °C à +125 ºC
- Niveau de classification de composant HBM H1C
- Niveau de classification C5 CDM des dispositifs
- Compatible avec la sécurité fonctionnelle
- Documentation disponible pour aider à la conception de systèmes de sécurité fonctionnels
- Large plage de tension d'entrée de 4,5 V à 65 V
- Jusqu'à 1,6 A de courant de sortie continu avec une précision de 4 %.
- Contrôle adaptatif du courant moyen dans le temps
- Fréquence de commutation programmable de 100 kHz à 2,2 MHz
- Protection contre les surintensités du commutateur cycle par cycle
- Fonctionnement de gradation avancé
- Graduation analogique de précision 10 bits
- Graduation MLI interne de précision 10 bits
- Prend en charge une entrée de gradation PWM externe
- Optimisé pour la gradation de shunt externe, y compris le gestionnaire de matrice LED
- Protection thermique de commutateur
- Interface périphérique série (SPI)
- Référence analogique configurable, fréquence de commutation et rapport cyclique de graduation MLI
- Surveillance et rapports de défauts
- Fonctionnement en mode dégradé (Limp-home ou LH) et autonome
Applications
- Phares automobiles et module de pilotage LED adaptatif
Schéma fonctionnel
