Texas Instruments Régulateurs à faible chute de tension TPS7B84-Q1
Les régulateurs à faible chute de tension TPS7B84-Q1 de Texas Instruments sont conçus pour se connecter à la batterie dans les applications automobiles. Les régulateurs LDO TPS7B84-Q1 ont une plage de tension d'entrée qui s'étend jusqu'à 40 V, ce qui permet au dispositif de résister aux transitoires (tels que la décharge de charge) prévus dans les systèmes automobiles. Le dispositif TPS7B84-Q1 est une solution optimale pour l'alimentation des composants toujours actifs tels que les microcontrôleurs (MCU) et les émetteurs-récepteurs de réseaux de zone de contrôleurs (CAN) dans les systèmes en veille, n'utilisant qu'un courant de repos de 18µA.Les régulateurs à faible perte TPS7B84-Q1 de TI prennent en charge les types de sortie fixes et ajustables. La large plage de tension de sortie permet au dispositif de générer la tension de polarisation pour les pilotes de grille en carbure de silicium (SiC) et les microphones, et d'alimenter les MCU et les processeurs.
Les régulateurs LDO ont une réponse transitoire de pointe qui permet à la sortie de réagir rapidement aux changements de charge ou de ligne (par exemple, dans des conditions de démarrage à froid). En outre, le TPS7B84-Q1 possède une nouvelle architecture qui minimise le dépassement de la sortie lors de la récupération de la perte de niveau. En exploitation normale, le dispositif a une précision CC serrée de ±0,75 % en fonction de la ligne, de la charge et de la température.
Les régulateurs LDO TPS7B84-Q1 sont disponibles dans un boîtier SOT223 et un petit boîtier VSON avec des flancs mouillables qui facilitent la conception d'un circuit imprimé compact. La faible résistance thermique permet une exploitation durable malgré une dissipation importante à travers le dispositif.
Caractéristiques
- Homologué AEC-Q100 pour les applications automobiles
- Classe de température 1 de -40°C à +125 °C, TA
- Température de jonction de -40°C à +150 °C, TJ
- Plage de tension d'entrée de 3 V à 40 V (42 V max.)
- Plage de tensions de sortie
- Sortie réglable de 1,2 V à 18 V
- Sortie fixe 3,3 V et 5 V
- Courant de sortie jusqu'à 150 mA
- Précision de la tension de sortie de ±0,75 % (max.)
- Faible tension de perte de charge de 225 mV (max.) à 150 mA (VOUT ≥ 3,3 V)
- Faible courant de repos
- 18 µA (std)
- 4 µA (max.) en cas de désactivation
- Excellente réponse transitoire de ligne
- ±2 % d'écart de VOUT pendant le démarrage à froid
- Écart de ±2 % VOUT (vitesse de balayage de 1 V/µs VIN)
- Stable avec un condensateur de 2,2 µF ou plus grand
- Compatible avec la sécurité fonctionnelle
- Documentation disponible pour aider à la conception de systèmes de sécurité fonctionnels
- Options de boîtier :
- DRB (VSON à 8 broches), RθJA de 50,8 °C/W
- DCY (SOT-223 4 broches), RθJA 85,5 °C/W
Applications
- Applications connectées à la batterie toujours actives
- Passerelles automobiles
- Entrées sans clé distantes (RKE)
- Groupes d'instruments reconfigurables
- Modules de commande de corps (BCM)
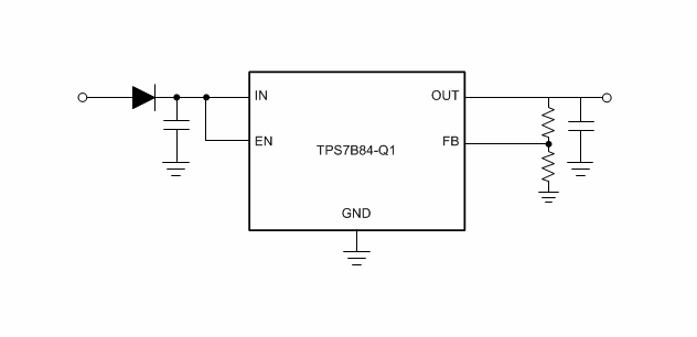
Schéma d'application standard
