Texas Instruments TPS65094x Programmable Power Management ICs
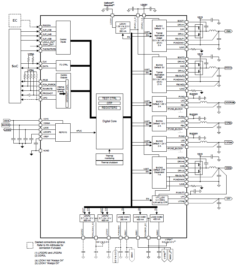
Texas Instruments TPS65094x Programmable Power Management ICs (PMICs) are a single-chip solution, power-management integrated chip (PMIC) designed specifically for Intel™ processors. These devices are targeted for tablets, ultrabooks, notebooks, industrial PCs, and Internet-of-Things (IoT) applications. These applications use 2S, 3S, or 4S Li-Ion battery packs (NVDC or non-NVDC power architectures) and wall-powered applications. The TPS65094x is used for essential systems with low-voltage rails merged for a small footprint and low-cost system-power solution. The Texas Instruments TPS65094x provides the complete power solution based on the Intel Reference Designs. Power-up sequence logic controls six highly efficient step-down voltage regulators (VRs), a sink or source LDO (VTT), and a load switch. This logic provides the proper power rails, sequencing, and protection—including DDR3 and DDR4 memory power. The two regulators support dynamic voltage scaling (DVS) for maximum efficiency—including support for Connected Standby. The high-frequency VRs use small inductors and capacitors to achieve a small solution size.Features
- Wide VIN range from 5.6V to 21V
- Three variable-output voltage synchronous
- Step-down controllers with D-CAP2™ topology
- 5A for BUCK1 (VNN), 7A for BUCK6 (VDDQ), and 21A for BUCK2 (VCCGI) using external FETs for typical applications
- I2C Dynamic Voltage Scaling (DVS) control (0.5V to 1.45V in 10mV Steps) for BUCK1 and BUCK2
- OTP-programmable default output voltage for BUCK6 (VDDQ)
- Three variable-output voltage synchronous step-down converters with DCS-control topology and I2C DVS capabilities
- VIN range from 4.5V to 5.5V
- 3A of output current for BUCK3 (VCCRAM)
- 2A of output current for BUCK4 (V1P8A) and BUCK5 (V1P24A) for typical applications
- Three LDO regulators with adjustable output voltage
- LDOA1: I2C-selectable output voltage from 1.35V to 3.3V for up to 200mA of output current
- LDOA2 and LDOA3: I2C-selectable output voltage from 0.7V to 1.5V for up to 600mA of output current
- VTT LDO for DDR memory termination
- Three load switches with slew rate control
- Up to 400mA of output current with a voltage drop of less than 1.5% of nominal input voltage
- RDSON < 96mΩ at an input voltage of 1.8V
- I2C interface (device address 0x5E) supports:
- Standard Mode (100kHz)
- Fast Mode (400kHz)
- Fast Mode Plus (1MHz)
Applications
- 2, 3, or 4-series cell Li-Ion battery-powered products (NVDC or non-NVDC)
- Wall-powered designs, particularly from 12V supply
- Tablets, Ultrabook™, and notebook computers
- Mobile PCs and mobile Internet Devices
Functional Block Diagram
Publié le: 2017-03-03
| Mis à jour le: 2022-04-07
