Texas Instruments Convertisseur Buck-Boost synchrone TPS63900
Le convertisseur Buck-Boost synchrone à haut rendement TPS63900 de Texas Instruments a un courant de repos extrêmement faible (75 nA standard). L’appareil dispose de 32 réglages de tension de sortie programmables par l’utilisateur de 1,8 V à 5 V. Une caractéristique de mise à l’échelle dynamique de la tension permet aux applications de basculer entre deux tensions de sortie en cours de fonctionnement, par exemple pour économiser de l’énergie en utilisant une tension d’alimentation système plus faible en mode veille. Avec sa large plage de tension d’alimentation et sa limite de courant d’entrée programmable (de 1 mA à 100 mA et illimitée), le TPS63900 de Texas Instruments est idéal pour une utilisation avec une large gamme de types de batterie secondaire et primaire comme 3S Alcaline, 1S Li-MnO2 ou 1S Li-SOCl2. La capacité de courant de sortie élevé prend en charge les normes RF couramment utilisées comme sous 1 GHz, BLE, LoRa, wM-Bus et NB-IoT.Caractéristiques
- Plage de tensions d’entrée de 1,8 à 5,5 V
- Plage de tensions de sortie de 1,8 V à 5 V (par incréments de 100 mV)
- Programmable avec des résistances externes
- Broche SEL pour activation entre deux préréglages de tension de sortie
- Courant de sortie > 400 mA pour VI ≥ 2,0 VO = 3,3 V (limite du courant de commutation de pointe standard de 1,45 A)
- Dispositifs multiples empilables en parallèle pour un courant de sortie plus élevé
- Fonctionnement en mode unique
- Élimine le mode transitions définies entre l´exploitation buck, buck-boost et boost
- Faible ondulation de sortie
- Excellente performance transitoire
- Efficacité > 90 % à courant de charge de 10 µA
- Courant de repos de 75 nA
- Courant d'arrêt de 60 nA
- Caractéristiques d’exploitation robuste et de sécurité
- Démarrage progressif intégré
- Limite de courant d'entrée programmable avec huit réglages (1 mA à 100 mA et illimité)
- Protection contre les courts-circuits et la surchauffe de sortie
- Taille de la solution minuscule de 21 mm2
- Petite inductance de 2,2 µH, condensateur de sortie unique de 22 µF
- Boîtier WSON à 10 broches, 2,5 mm × 2,5 mm, pas de 0,5 mm
Applications
- Compteurs intelligents et nœuds de capteurs
- Verrouillages électroniques intelligents
- Patchs de capteurs médicaux et moniteurs de patients
- Électronique portable
- Suivi d'actifs
- IdO industriel (capteurs intelligents)/NB-IdO
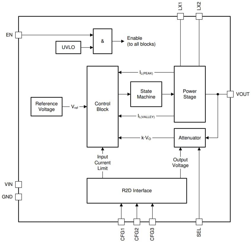
Schéma fonctionnel
Publié le: 2020-12-11
| Mis à jour le: 2024-10-15
