Texas Instruments Convertisseur CC/CC abaisseur TPS62893-Q1
Le Convertisseur CC/CC abaisseur TPS62893-Q1 de Texas Instruments est un convertisseur synchrone comportant une interface I2C et une détection différentielle à distance. Ce convertisseur CC/CC peut fonctionner en mode empilé, pour fournir des courants supérieurs de sortie ou pour répartir la dissipation d'énergie sur plusieurs dispositifs. Le convertisseur TPS62893-Q1 met en œuvre un schéma de contrôle DCS à fréquence fixe avec une fréquence de commutation réglable et une compensation de boucle réglable. Ce convertisseur CC/CC est disponible dans un boîtier VQFN de 5,0 mm x 6,0 mm. Le dispositif TPS62893-Q1 est conforme à la norme AEC-Q100 pour les applications automobiles. Ce convertisseur est idéal pour la fusion de capteur ADAS, l'ECU à vue panoramique, le groupe hybride et reconfigurable, l'unité de contrôle télématique et l'unité principaleCaractéristiques
- HomologuéS AEC-Q100 pour les applications automobiles :
- Classe thermique 1 de dispositif TA de -40 à 125 °C
- Plage de température de jonction de -40 °C à 150 °C
- Une documentation informée par la sécurité fonctionnelle est disponible pour vous aider dans la conception de systèmes de sécurité fonctionnelle
- Plage de tension d'entrée de 2,8 V à 6 V
- Précision de la tension de sortie de ±0,5 %
- Plage de tensions de sortie de 0,4 V à 1 V
- MOSFET de puissance de 1,8 mΩ et 0,7 mΩ
- Compensation externe
- Exploitation empilé en option pour une capacité de courant de sortie accrue
- Fréquence de commutation réglable de 833 kHz à 3 MHz (aperçu du produit)
- Synchronisation externe
- Exploitation en mode MLI forcé ou économie d'énergie
- Exploitation transitoire optimisée de la charge
- Contrôle DCS à fréquence fixe
- Mode transitoire non synchrone
- Compensation de chute réglable
- Optimisation pour des inducteurs de petite taille et de profil bas
- Interface I2C compatible jusqu’à 3,4 MHz
- Télédétection différentielle
- Pré-avertissement thermique et arrêt thermique
- Protection contre les surtensions d'entrée et de sortie
- Décharge de sortie
- Horloge à spectre étalé en option
- Télémesure pour VIN, Temp, VOUT et IOUT
- Interruption de sortie
- Sortie Power-Good avec un comparateur à fenêtre et des seuils réglables
- Disponible dans un boîtier VQFN de 5,0 mm x 6,0 mm
Applications
- Fusion de capteur ADAS
- Vue panoramique ECU
- Cluster hybride et reconfigurable
- Contrôle de l'unité principale et de l'unité télématique
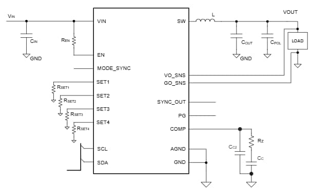
Schéma
Publié le: 2025-09-29
| Mis à jour le: 2026-02-03
