Texas Instruments Convertisseurs Buck TPS6287x/TPS6287x-Q1
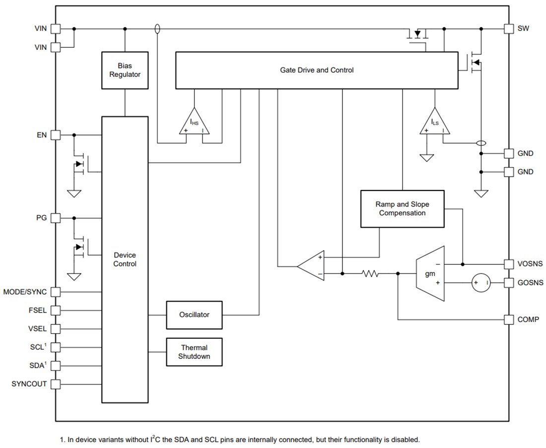
Les convertisseurs Buck synchrones TPS6287x/TPS6287x-Q1 de Texas Instruments sont une famille de convertisseurs CC/CC abaisseurs broche-à-broche 6 A, 9 A, 12 A et 15 A avec télédétection différentielle. Chaque courant nominal offre des variantes de dispositif complètes avec une interface I2C et des variantes de dispositif à caractéristiques limitées sans interface I2C. Tous les dispositifs offrent une haute efficacité et une grande facilité d'utilisation. Les commutateurs de puissance à faible résistance permettent un courant de sortie continu allant jusqu'à 15 A à des températures ambiantes élevées. Chaque composant peut fonctionner en mode empilé pour fournir des courants de sortie plus élevés. Les dispositifs peuvent également être utilisés pour répartir la dissipation de puissance sur plusieurs dispositifs.La famille TPS6287x/TPS6287x-Q1 de Texas Instruments met en œuvre un schéma de contrôle DCS amélioré qui prend en charge des transitoires rapides avec un fonctionnement à fréquence fixe. Les dispositifs fonctionnent en mode d'économie d'énergie pour une efficacité maximale ou en mode PWM forcé pour d'excellentes performances transitoires et ont la plus faible ondulation de tension de sortie. Une fonction de télédétection en option maximise la régulation de la tension au point de charge. La fréquence de commutation est sélectionnable par résistance via la broche FSEL. La fréquence de commutation peut être réglée sur 1,5 MHz, 2,25 MHz, 2,5 MHz ou 3 MHz, ou synchronisée avec une horloge externe sur la même plage de fréquence.
L'interface compatible I2C offre plusieurs fonctions de contrôle, d'alerte et de surveillance. Celles-ci comprennent la surveillance de la tension et les avertissements liés à la température. La tension de sortie peut être réglée pour adapter rapidement la consommation d'énergie de la charge aux besoins de performance de l'application via l'interface compatible I2C. La tension de démarrage par défaut est sélectionnable par résistance via la broche VSEL.
Caractéristiques
- Compatible avec la sécurité fonctionnelle
- Documentation disponible pour aider à la conception du système de sécurité fonctionnelle
- Plage de tension d'entrée de 2,7 V à 6 V
- Famille de dispositifs compatibles broche-à-broche de 6 A, 9 A, 12 A, 15 A, 20 A, 25 A et 30 A
- Quatre plages de tension de sortie
- 0,4 V à 0,71875 V par incréments de 1,25 mV
- 0,4 V à 1,0375 V par incréments de 2,5 mV
- 0,4 V à 1,675 V par incréments de 5 mV
- 0,8 V à 3,35 V par incréments de 10 mV
- Précision de tension de sortie ±1 %
- Précision de la tension de sortie de ±0,8 % (TPS62877-Q1)
- MOSFET de puissance internes de 7 mΩ et 4,5 mΩ
- MOSFET de puissance internes de 2,6 mΩ et 1,5 mΩ (TPS62877-Q1)
- Compensation externe réglable
- Tension de sortie de démarrage sélectionnable par résistance
- Fréquence de commutation sélectionnable par résistance
- Fonctionnement en mode d'économie d'énergie ou en mode PWM forcé
- Télédétection différentielle
- Fonctionnement empilé en option pour une capacité de courant de sortie accrue
- Avertissement thermique et arrêt thermique
- Entrée d'activation précise
- Décharge de sortie active
- Horloge à spectre étalé en option
- Sortie de puissance suffisante (power-good) avec comparateur à fenêtre
- Disponible en boîtier VQFN 2,55 mm × 3,55 mm × 1 mm avec flancs mouillables
- Température de jonction de -40 °C à 150 °C, TJ
Applications
- Infodivertissement et groupe
- Systèmes d'aide à la conduite automobile (ADAS)
- Alimentation de cœur FPGA, ASIC et numérique
- Alimentation de mémoire DDR
Fiches techniques
Schéma fonctionnel
