Texas Instruments Convertisseurs Buck synchrones TPS6287Bxx
Les convertisseurs Buck synchrones TPS6287Bxx de Texas Instruments sont une famille de convertisseurs CC/CC abaisseurs synchrones de 10 A,15 A, 20 A, et 25 A broche à broche avec interface I2C et détection différentielle à distance. Tous les appareils sont faciles à utiliser et très efficaces. Les commutateurs de puissance à faible résistance permettent un courant de sortie jusqu'à 25 A à des températures ambiantes élevées. Les dispositifs peuvent fonctionner en mode empilé pour répartir la dissipation de puissance sur plusieurs dispositifs ou pour fournir des courants de sortie plus élevés.La famille TPS6287Bx de Texas Instruments met en œuvre un schéma de contrôle DCS amélioré combinant une réponse transitoire rapide et un fonctionnement à fréquence fixe. Les dispositifs peuvent fonctionner en mode économie d'énergie pour une efficacité maximale ou en mode MLI forcé pour d'excellentes performances transitoires et une ondulation minimale de la tension de sortie. Une fonction de télédétection en option maximise la régulation de la tension au point de charge, et le dispositif atteint une précision de tension CC de ±0,8 % pour toute la plage de tension de sortie.
L'interface compatible I2C offre plusieurs fonctions de contrôle, d'avertissement et de surveillance, comme la surveillance de la tension et les avertissements liés à la température. La tension de sortie peut être rapidement ajustée pour adapter la consommation d'énergie de la charge aux besoins de performance. La tension de démarrage par défaut est sélectionnable par résistance via les broches VSET1 et VSET2.
Caractéristiques
- Plage de tension d'entrée de 2,7 V à 6 V
- Famille de dispositifs compatibles broche à broche avec des valeurs nominales de 10 A, 15 A, 20 A, 25 A
- Trois plages de tension de sortie sélectionnables de 0,4 V à 1,675 V
- De 0,4 V à 0,71875 V par incréments de 1,25 mV
- De 0,4 V à 1,0375 V par incréments de 2,5 mV
- De 0,4 V à 1,675 V par incréments de 5 mV
- Précision de la tension de sortie de ±0,8 %
- MOSFET de puissance internes de 2,6 mΩ et 1,5 mΩ
- Démarrage progressif réglable
- Compensation externe
- Tension de sortie de démarrage sélectionnable via les broches VSET1 et VSET2
- De 0,4 V à 0,775 V par incréments de 25 mV
- De 0,8 V à 1,55 V par incréments de 50 mV
- Fonctionnement en mode MLI forcé ou économie d'énergie
- Sélection de la tension de sortie de démarrage par une résistance externe ou via I2C
- Interface compatible I2C avec un maximum de 3,4 MHz
- Fonctionnement en pile en option pour augmenter la capacité du courant de sortie
- Détection différentielle à distance
- Pré-avertissement thermique et arrêt thermique
- Décharge de sortie
- Horloge à spectre étalé en option
- Sortie de bonne alimentation avec comparateur à fenêtre
Applications
- Alimentation de cœur FPGA, ASIC et numérique
- Réseaux optiques
- Stockage
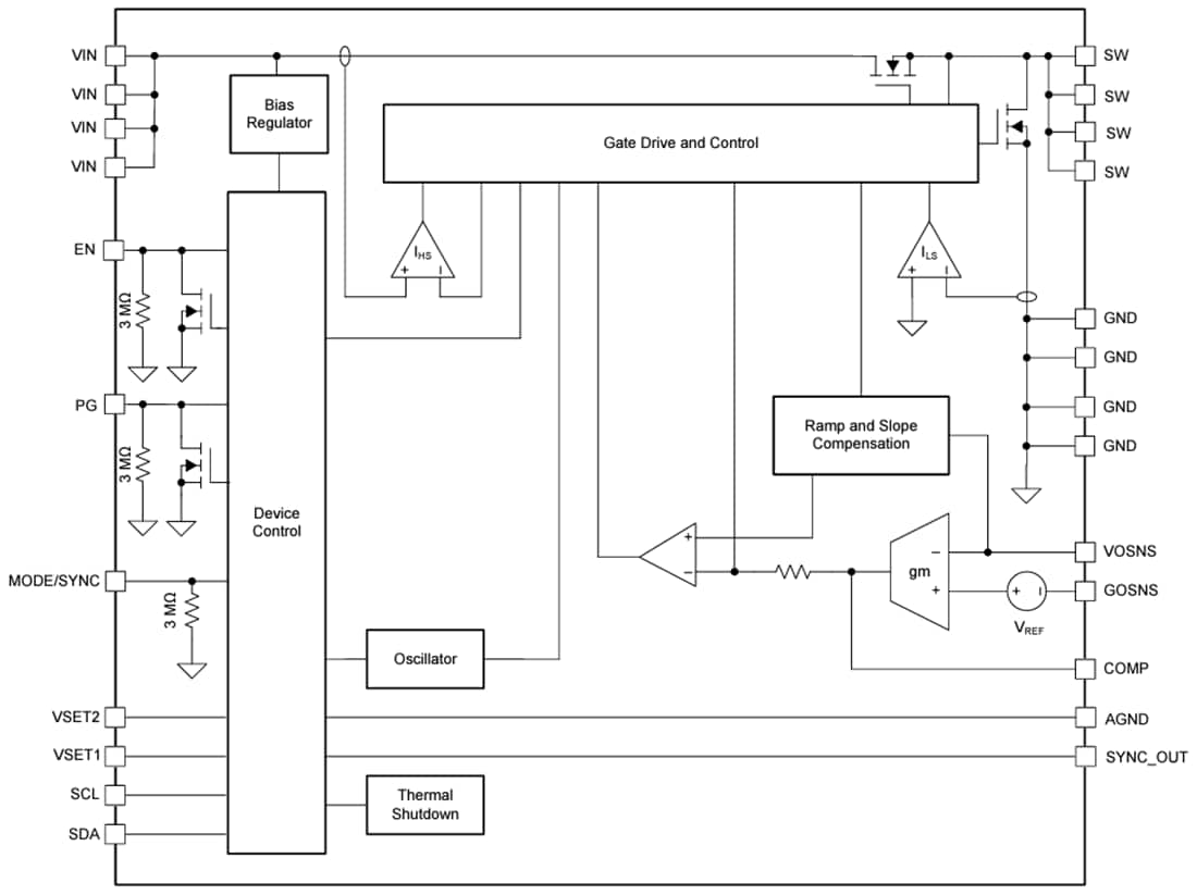
Schéma fonctionnel
