Texas Instruments Convertisseur abaisseur à ultra-faible IQ TPS62843
Le convertisseur abaisseur de tension TPS62843de Texas Instruments à faible courant de repos est un convertisseur abaisseur de tension haute efficacité avec un courant de repos opérationnel ultra-bas, typiquement de 275nA. Le dispositif présente un courant de mise hors tension de de 4nA (typique) lorsqu'il est désactivé. Le composant utilise un contrôle DCS avec une ondulation de tension de sortie faible et compatible RF vers les radios de puissance.Le TPS62843 de Texas Instruments fonctionne avec une fréquence de commutation standard de 1,5 MHz et offre un haut rendement à faible charge jusqu'à un courant de charge de 100 µA et moins. Dix-huit tensions de sortie prédéfinies peuvent être sélectionnées en connectant une résistance à la broche VSET, ce qui rend la famille utilisable dans diverses applications avec un ensemble minimum de composants passifs.
Caractéristiques
- Plage de tensions d’entrée de 1,8 à 5,5 V
- Plage de tension de sortie de 0,4 V à 3,6 V
- Courant de repos standard de 275 nA
- Courant de sortie 600 mA
- Précision de tension de sortie 1 %
- Courant d'arrêt standard de 4 nA
- Décharge de sortie
- Tension de sortie VSET sélectionnable par broche via une seule résistance
- TPS628436 (0,4 V à 0,8 V)
- TPS628437 (0,8 V à 1,8 V)
- TPS628438 (1,8 V à 3,6 V)
- Optimisé pour les petits composants passifs
- Une inductance de 1 µH
- Jusqu'à 4,7 µF COUT
- Faible ondulation de tension de sortie en mode d'économie d'énergie
- Contrôle DCS à transitoires rapides et compatible avec les RF
- Transition automatique vers le mode 100 % sans ondulation
- Taille de condensateur prise en charge : 0402, et taille de bobine 0603
- boîtier WCSP minuscule à 6 broches, pas de 0,35 mm avec une surface de 0,84 mm2
- Compatible broche à broche avec la famille TPS6280x (1 A)
Applications
- Électronique portable
- Casques et écouteurs
- Téléphones portables
- Patchs de capteurs médicaux
- Prothèses auditives
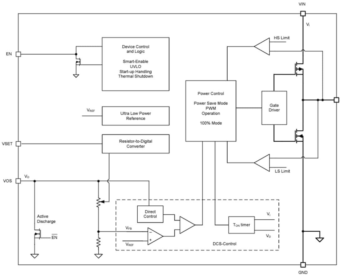
Schéma fonctionnel
Publié le: 2023-08-22
| Mis à jour le: 2024-04-24
