Texas Instruments Convertisseurs abaisseurs TPS6215x de 3 à 17 V 1 A
Les convertisseurs abaisseurs Texas Instruments TPS6215x de 3 à 17 V 1 A sont des convertisseurs abaisseurs synchrones faciles à utiliser, optimisés pour les applications à haute densité de puissance. Leur haute fréquence de commutation de 2,5 MHz permet d'utiliser de petits inducteurs et assure une réponse transitoire rapide, ainsi qu'une tension de sortie à précision élevée grâce à l'utilisation de la topologie DCS-Control™. Avec sa large plage de tensions d'entrée de fonctionnement allant de 3 à 17 V, ces composants TI sont parfaitement adaptés aux systèmes alimentés par une batterie Li-Ion ou d'autres batteries, ainsi que par des rails d'alimentation intermédiaires 12 V. Ces convertisseurs abaisseurs prennent en charge un courant de sortie continu pouvant atteindre 1 A, à des tensions de sortie comprises entre 0,9 et 6 V (avec mode de cycle de service de 100 %).Caractéristiques
- DCS-Control™ topology
- Input voltage range 3V to 17V
- Up to 1A output current
- An adjustable output voltage from 0.9 to 6V
- Pin-selectable output voltage (nominal, + 5%)
- Programmable soft-start and tracking
- Seamless power save mode transition
- Quiescent current of 17µA (typical)
- Selectable operating frequency
- Power good output
- 100% duty cycle mode
- Short circuit protection
- Over temperature protection
- Available in a 3mm x 3mm, QFN-16 package
- TPS6215xA-Q1 AEC-Q100 qualified with the following results:
- Device temperature grade -40°C to 125°C operating junction temperature range
- Device HBM RSD classification level H2
- Device CDM ESD classification level C4B
Applications
- Standard 12V rail supplies
- POL Supply from single or multiple Li-Ion battery
- Solid-State disk drives
- Embedded systems
- LDO replacement
- Mobile PCs, tablet, modems, and cameras
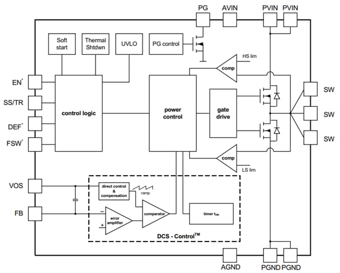
TPS62150 Block Diagram
TI Webench Designer
Publié le: 2013-08-13
| Mis à jour le: 2022-03-11
