Texas Instruments Convertisseur d'amplification synchrone TPS61379-Q1
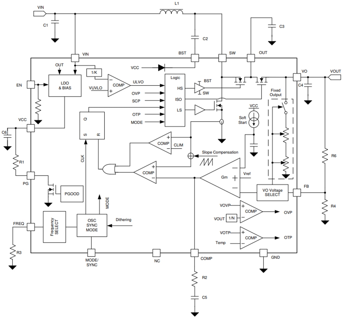
Le convertisseur d'amplification synchrone TPS61379-Q1 de Texas Instruments est un convertisseur d'amplification synchrone entièrement intégré avec fonction de déconnexion de charge intégrée. La tension d'entrée couvre 2,3 V à 14 V, tandis que la tension de sortie maximale est jusqu'à 18,5 V. La limite de courant de commutation est standard de 2 A. Il consomme un courant de repos de 25 µA de VIN.Le TPS61379-Q1 utilise la commande du mode courant de crête avec la fréquence de commutation programmable de 200 kHz à 2,2 MHz. Le dispositif fonctionne en mode PWM à fréquence fixe en charge moyenne à lourde. Il existe deux modes optionnels à faible charge en configurant la broche MODE : le mode PFM automatique et le PWM forcé pour équilibrer le rendement et l'immunité au bruit en charge légère. La fréquence de commutation peut être synchronisée avec une horloge externe. Le TPS61379-Q1 utilise le spectre étendu de l'horloge interne pour être plus adapté aux EMI en mode FPWM. De plus, il existe une durée de démarrage progressif interne pour limiter le courant d'appel.
Le TPS61379-Q1 de Texas Instruments dispose de diverses versions de tension de sortie fixe pour enregistrer la résistance externe de rétroaction. Il prend en charge la compensation de boucle externe afin que la stabilité et la réponse transitoire puissent être optimisées à des plages VOUT/VIN plus larges. Il intègre également des caractéristiques de protection robustes, notamment une protection contre les courts-circuits de sortie, une protection contre les surtensions de sortie et une protection contre l'arrêt thermique. Le TPS61379-Q1 est disponible en boîtier QFN à 16 broches de 3 mm × 3 mm avec un flanc mouillable.
Caractéristiques
- Certifié AEC-Q100 pour les applications automobiles
- Température de classe 1 de fonctionnement ambiante de –40° C à + 125° C
- Compatible avec la sécurité fonctionnelle
- Documentation disponible pour aider à la conception de systèmes de sécurité fonctionnels
- Plage de fonctionnement flexible en entrée et sortie
- Plage de tension d'entrée de 2,3 V à 14 V
- Plage de tension de sortie programmable de 4,0 V à 18,5 V
- Options de sortie fixe 5 V, 5,25 V, 5,5 V
- Limite de courant de crête fixe de 2 A
- Éviter les interférences sur la bande AM et la diaphonie
- Fréquence de commutation programmable dynamiquement de 200 kHz à 2,2 MHz
- Modulation de fréquence à spectre étendu
- Synchronisation d'horloge optionnelle
- Minimiser la taille de la solution pour les applications de contraintes d'espace
- FET LS/HS/ISO intégré (RDS(ON) 50 mΩ/50 mΩ/100 mΩ)
- Prendre en charge jusqu'à 2,2 MHz avec un petit L-C
- Réduction de la charge lumineuse et de la consommation de courant à l’état inactif
- Courant de repos de 25 µA dans la broche VIN
- Courant d'arrêt de 0,5 µA dans la broche VIN
- Mode PWM forcé et PFM automatique sélectionnable
- Déconnexion de charge réelle en cas d'arrêt ou de défaillance
- Caractéristiques de protection intégrées
- Prendre en charge le fonctionnement VIN proche de VOUT
- Verrouillage de sous-tension d'entrée et protection de surtension de sortie
- Protection contre les courts-circuits de sortie hoquet
- Indicateur de bonne alimentation
- Protection d'arrêt thermique à 165° C
- Rendement supérieur à 90 % sous une charge de 0,25 A de la conversion 3,3 V à 9 V
Applications
- Système avancé d'assistance au conducteur (ADAS)
- Infodivertissement automobile et groupe
- Éclairage et électronique de la carrosserie
- Appel d'urgence (eCall)
Schéma de principe fonctionnel
