Texas Instruments Convertisseur Boost synchrone TPS61378-Q1
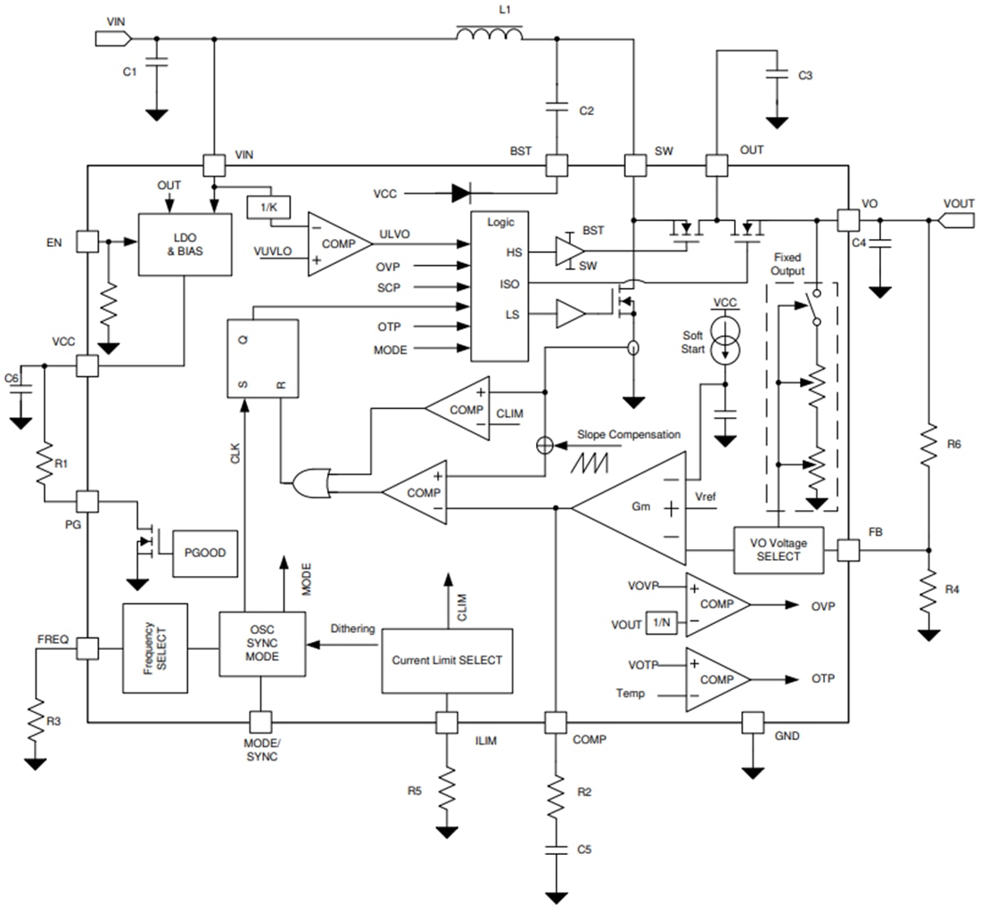
Le convertisseur élévateur synchrone TPS61378-Q1 de Texas Instruments est doté d’une fonction de déconnexion de charge intégrée. La tension d’entrée est comprise entre 2,3 V et 14 V, tandis que la tension de sortie maximale est de 18,5 V. La limite du courant de commutation est programmable de 1 A à 4,8 A. Elle consomme un courant de repos de 25 uA à partir de VIN.Le TPS61378-Q1 utilise le contrôle de mode du courant de crête avec la fréquence de commutation programmable de 200 kHz à 2,2 MHz. Le dispositif fonctionne en mode MLI à fréquence fixe pour des charges moyennes à lourdes. Il existe deux modes optionnels en charge légère en configurant la broche MODE : le mode Auto PFM et le mode MLI forcé pour équilibrer l’efficacité et l’immunité au bruit en charge légère. La fréquence de commutation peut être synchronisée avec une horloge externe. Le TPS61378-Q1 utilise le spectre d'étalement de l'horloge interne pour une meilleure compatibilité EMI en mode FPWM. Il existe également un temps de démarrage progressif interne pour limiter le courant d'appel.
Le TPS61378-Q1 de Texas Instruments dispose de plusieurs versions de tension de sortie fixe pour économiser la résistance externe de rétroaction. Il prend en charge la compensation de boucle externe afin d’optimiser la stabilité et la réponse transitoire sur une plus grande plage VOUT/VIN. Il intègre également des caractéristiques de protection robustes, notamment une protection contre les courts-circuits en sortie, une protection contre les surtensions en sortie et une protection contre la coupure thermique. Le TPS61378-Q1 est disponible dans un boîtier QFN 16 broches de 3 mm x 3 mm avec un flanc mouillable.
Caractéristiques
- Homologué AEC-Q100 pour les applications automobiles
- Niveau de température de l’appareil TA 1 de -40 ° à 125 °C
- Compatible avec la sécurité fonctionnelle
- Documentation disponible pour aider à la conception de systèmes de sécurité fonctionnels
- Plage de fonctionnement flexible en entrée et sortie
- Plage de tension d'entrée de 2,3 V à 14 V
- Plage de tension de sortie programmable de 4,0 V à 18,5 V
- Options de sortie fixe 5 V, 5,25 V, 5,5 V
- Limite du courant de crête programmable de 1 A à 4,8 A
- Éviter les interférences sur la bande AM et la diaphonie
- Fréquence de commutation programmable dynamiquement de 200 kHz à 2,2 MHz
- Modulation de fréquence à spectre étendu
- Synchronisation d'horloge optionnelle
- Minimiser la taille de la solution pour les applications de contraintes d’espace
- FET intégré (LS/HS/ISO) RDS(ON) 50 mΩ/50 mΩ/100 mΩ
- Prise en charge jusqu’à 2,2 MHz avec un petit L-C
- Réduction de la charge lumineuse et de la consommation de courant à l’état inactif
- Courant de repos de 25 µA dans la broche VIN
- Courant d’arrêt de 0,5 µA dans la broche VIN
- Mode PWM forcé et PFM automatique sélectionnable
- Déconnexion de charge réelle en cas d'arrêt ou de défaillance
- Caractéristiques de protection intégrées
- Prise en charge de VIN proche de l’exploitation VOUT
- Verrouillage de sous-tension d'entrée et protection de surtension de sortie
- Protection contre les courts-circuits de sortie hoquet
- Indicateur de bonne alimentation
- Protection d'arrêt thermique à 165° C
- Rendement supérieur à 90 % sous une charge de 0,8 A de la conversion 3,3 V à 9 V
Applications
- Système avancé d'assistance au conducteur (ADAS)
- Infodivertissement automobile et groupe
- Éclairage et électronique de la carrosserie
- Appel d'urgence (eCall)
Schéma de principe fonctionnel
