Texas Instruments Convertisseur Buck synchrone 12 A TPS56C231
Le convertisseur Buck synchrone 12 A TPS56C231 de Texas Instruments est un petit convertisseur Buck synchrone à haute efficacité avec un mode de contrôle adaptatif temporel D-CAP3. La compensation externe n'est pas nécessaire car le dispositif est facile à utiliser et nécessite peu de composants externes. Le dispositif est bien adapté aux applications de centres de données à espace restreint.Le TPS56C231 dispose de caractéristiques concurrentielles, notamment une réponse transitoire de charge rapide, une tension de référence très précise, aucune exigence de compensation externe et une limite du courant réglable. Les modes de fonctionnement éco et FCCM sont disponibles pour une sélection dans des conditions de faible charge via la configuration de broche MODE. Pour atteindre une haute efficacité à faible charge, le mode éco peut être sélectionné. Pour prendre en charge des exigences d'ondulation de tension de sortie étroites, FCCM peut être choisi. Le TPS56C231 de Texas Instruments fonctionne sur une plage de température de jonction de –40 °C à +125 ºC.
Caractéristiques
- Plage d'entrée de 4,5 V à 17 V sans polarisation externe
- Plage d'entrée de 3,8 V à 17 V avec polarisation externe
- Prend en charge un courant de sortie continu de 12 A
- Le TPS56C231 prend en charge un courant de crête de 15 A
- MOSFET intégrés 7,8 mΩ et 3,2 mΩ
- Tension de référence de 0,6 V ±1 % sur une plage de température de jonction de –40 °C à +125 ºC
- Plage de tension de sortie de 0,6 V à 5,5 V
- Faible courant de repos de 146 µA
- Mode de contrôle D-CAP3™ pour une réponse transitoire rapide
- Prend en charge les condensateurs céramiques en sortie
- fSW sélectionnable de 400 kHz, 800 kHz et 1 200 kHz
- FCCM sélectionnable (mode de conduction continue forcée) pour une ondulation de tension de sortie étroite
- Mode éco sélectionnable (mode saut automatique) pour une efficacité élevée à faible charge
- Polarisation externe 5 V en option pour une efficacité améliorée
- Capacité de démarrage prépolarisé
- Démarrage progressif réglable avec un temps de démarrage progressif de 1,2 ms par défaut
- Indicateur de bonne alimentation pour surveiller la tension de sortie
- Deux paramètres de limite de courant réglables avec redémarrage en hoquet : TPS56C231 (14,7 A, 17 A) et TPS56C231L (11,5 A, 13,8 A)
- Protections non verrouillées pour UV, OV, OT et UVLO
- Compatible broche-à-broche avec TPS56C215 12 A, TPS568231 8 A et TPS568215 8 A
- Température de fonctionnement de jonction de –40 °C à +125 ºC
- Boîtier QFN HotRod™ à 18 broches de 3,5 mm × 3,5 mm
Applications
- POL de centres de données et d'ordinateurs d'entreprise
- Infrastructures sans fil
- IPC, automatisation d'usine, PLC, mesure de test
- DTV haut de gamme
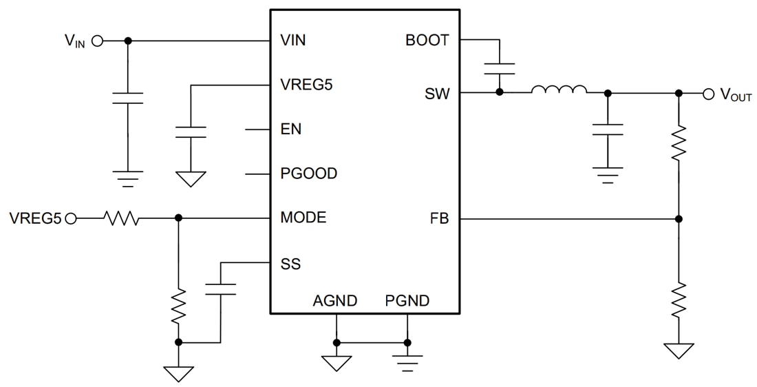
Schéma simplifié
Publié le: 2022-10-14
| Mis à jour le: 2022-12-23
