Texas Instruments Convertisseur Buck synchrone TPS56A37 10 A
Le convertisseur Buck synchrone TPS56A37 10 A de Texas Instruments est un convertisseur Buck synchrone à haut rendement facile à utiliser avec une large plage de tension d’entrée de 4,5 V à 28 V. Le dispositif prend en charge un courant de sortie continu jusqu’à 10 A à des tensions de sortie entre 0,6 V et 13 V. Le TPS56A37 utilise le mode de contrôle D-CAP3 pour fournir une réponse transitoire rapide, une bonne régulation de ligne et de charge et aucune compensation externe. Il prend en charge des condensateurs de sortie à faible résistance équivalente (ESR) tels que les MLCC.Le TPS56A37 fonctionne en mode éco pour atteindre un haut rendement à faible charge avec une fréquence de commutation fixe de 500 kHz. Le TPS56A37 dispose d’un temps de démarrage progressif réglable en connectant le condensateur SS avec le 1,8 ms par défaut et la broche SS flottante. Le TPS56A37 fournit des protections complètes sans verrouillage OV (surtension), UV (sous-tension), OC (surintensité), OT (surchauffe) et UVLO (verrouillage de sous-tension) combinées à un indicateur de bonne alimentation et une fonction de décharge de sortie. Le TPS56A37 de Texas Instruments est disponible en boîtier QFN HotRod de 3,0 mm × 3,0 mm à 10 broches et la température de jonction est spécifiée de -40 °C à 150 °C.
Caractéristiques
- Plage de tension d’entrée de 4,5 V à 28 V
- Plage de tension de sortie de 0,6 V à 13 V
- Prend en charge un courant de sortie continu de 10 A
- MOSFET de 19,4 mΩ et 8,5 mΩ intégrés
- Tension de référence de 0,6 V ±1 % à 25 °C
- Faible courant de repos de 45 μA
- Mode de contrôle D-CAP3™ pour une réponse transitoire rapide
- Mode éco (mode saut automatique) pour un haut rendement à faible charge
- Fréquence de commutation fixe de 500 kHz
- Cycle par cycle au-delà de la limite de courant
- Durée de démarrage progressif réglable avec 1,8 ms par défaut
- Fonction de décharge de sortie intégrée
- Indicateur de bonne alimentation pour surveiller la tension de sortie
- Prend en charge jusqu'à 98 % du fonctionnement de service
- Protections non verrouillées pour UV, OV, OT et UVLO
- Température de jonction de fonctionnement de -40 °C à +150 °C
- Petit boîtier QFN HotRod™ à 10 broches de 3,0 mm × 3,0 mm
- Compatible broche-à-broche avec TPS56637 6 A et TPS56837 8 A
Applications
- PC industriels, EPOS, automatisation et contrôle d’usine
- Imprimantes multifonctions, système de vidéoconférence
- Usages généraux pour alimentation de bus d’alimentation de 12 V, 19 V, 24 V
- Moniteurs, téléviseurs, haut-parleurs, PC et notebooks, électronique portable
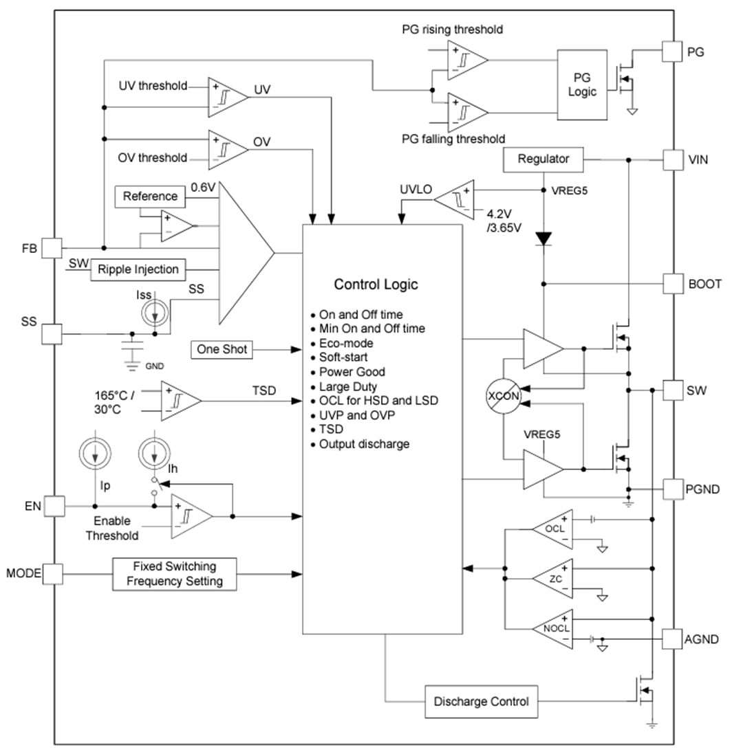
Schéma fonctionnel
Publié le: 2024-03-27
| Mis à jour le: 2024-04-09
