Texas Instruments Convertisseurs abaisseurs (buck) synchrones TPS56837H 8 A
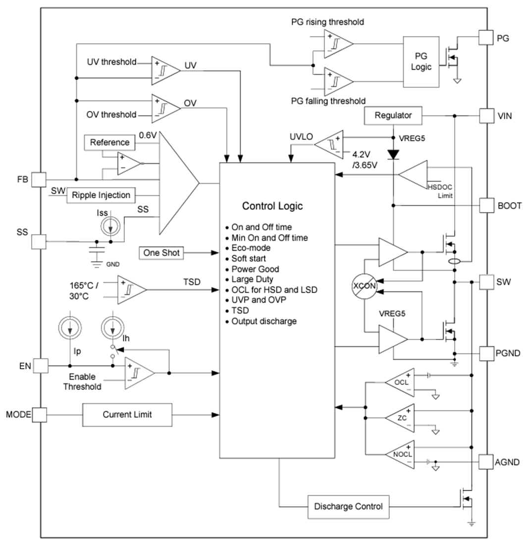
Les convertisseurs abaisseurs synchrones Texas Instruments TPS56837H 8 A sont des convertisseurs abaisseurs faciles à utiliser, à hauts rendements et à large plage de tensions d'entrée de 4,5 à 28 V. Ces convertisseurs admettent jusqu' à 8 A de courant permanent de sortie sous des tensions de sortie comprises entre 4 et 22 V. Les convertisseurs TPS56837H admettent USB une variation dynamique de sortie de 5, 9, 15 ou 20 V pour des applications USB PD. Ces convertisseurs utilisent le mode de commande D-CAP3 pour fournir une réponse rapide aux régimes transitoires, une bonne régulation de lignes et de charges et l'absence de nécessité de compensation externe. Le TPS56837H convertit des haut-parleurs, des ordinateurs portatifs, des systèmes de vidéoconférence, des PC industriels, des systèmes d'automatisation d'usine et des imprimantes multifonctionnelles.Les convertisseurs TPS56837H fonctionnent en mode Eco pour atteindre un rendement élevé à faible charge à fréquence fixe de commutation de 500 kHz et trois limites sélectionnables de courant par la configuration de broche de MODE. Le TPS56837H dispose d'un temps de démarrage progressif réglable par la configuration de condensateur de broche SS. Le TPS56837H offre des protections complètes non verrouillées contre les surtensions, contre les sous-tensions, contre les surintensités, contre les surchauffes et contre les sous-tensions, associées à un indicateur de Power Good et à des fonctionnalités de décharge en sortie. Le TPS56837H est disponible en boîtier QFN HotRod de 10 broches, 3×3 mm, et la température de jonction est spécifiée de -40 à 150 °C.
Caractéristiques
- Prise en charge de l’alimentation USB (USB PD)
- Plage de tension d'entrée de 4,5 V à 28 V
- Plage de tension de sortie de 4 V à 22 V
- Prend en charge un courant de sortie continu de 8 A
- Trois réglages cycle par cycle sur la limite de courant pour le MOSFET côté bas par sélection de mode
- Rendement élevé sur l’ensemble de la plage de charge
- MOSFET intégrés de 20,4 et 9,5 mΩ
- Faible courant de repos = 45 μA
- Fréquence fixe de commutation = 500 kHz
- Rendement de 98,7 % pour VIN = 24 V, VOUT = 20 V et IOUT = 3 A
- Mode éco pour un haut rendement à faible charge
- Tension de référence de 0,6 V ±1 % à 25 °C
- Mode de contrôle D-CAP3™ pour une réponse transitoire rapide
- Durée de démarrage progressif réglable par condensateur SS
- Fonction de décharge de sortie intégrée
- Indicateur de bonne alimentation pour surveiller la tension de sortie
- Prend en charge jusqu'à 98 % du fonctionnement de service
- Protections non verrouillées pour UV, OV, OT et UVLO
- Température de jonction de fonctionnement de -40 °C à +150 °C
- Petit boîtier QFN HotRod™à 10 broches de 3,0 mm × 3,0 mm
- Compatible broche-à-broche avec TPS5663 à 6 A et TPS56837 à 8 A
Applications
- Alimentations USB avec PD
- PC industriel, EPOS, automatisation et contrôle d'usine
- Imprimantes multifonctions, système de vidéoconférence
- Moniteurs, téléviseurs, haut-parleurs, PC et notebooks, électronique portable
- Objectifs généraux pour 12, 19 ou 24 V d'alimentation électrique par bus de puissance
Schéma fonctionnel
