Texas Instruments Convertisseur Buck synchrone 3 A TPS563300
Le convertisseur Buck synchrone 3 A TPS563300 de Texas Instruments est un convertisseur Buck à haut rendement facile à utiliser avec une large tension d'entrée de 3,8 V à 28 V. Le dispositif prend en charge une tension de sortie de 0,8 V à 22 V et un courant de sortie continu allant jusqu'à 3 A.Le dispositif utilise un mode de contrôle du courant de pointe à fréquence fixe pour une bonne régulation de la ligne, de la charge et une réponse transitoire rapide. La compensation en boucle interne est optimisée pour éliminer les composants de compensation externes sur une large plage de fréquences de fonctionnement et de tensions de sortie. Le mode de modulation de fréquence d'impulsion (PFM) maximise le rendement à faible charge. Une fonction à faible courant de repos procure une durée de vie prolongée de la batterie en fonctionnement à faible puissance. Le composant réduit le bruit EMI avec une fonction de spectre étalé de fréquence.
Le TPS563300 de Texas Instruments fournit des protections complètes, notamment OTP, OVP, UVLO, limite OC cycle par cycle et UVP avec mode hoquet. Ce composant est fourni dans un petit boîtier SOT-583 (1,6 mm × 2,1 mm) avec un pas de broche de 0,5 mm. Il dispose d'un brochage optimisé pour une disposition PCB facile et promeut de bonnes performances EMI.
Caractéristiques
- Facilité d'utilisation et petite taille de solution
- Mode de contrôle du courant de crête avec compensation interne
- Modulation de fréquence d'impulsion (PFM) pour un haut rendement à faible charge
- Fréquence de commutation fixe de 500 kHz
- Compatible EMI avec un spectre à étalement de fréquence
- Aide au démarrage avec sortie pré-polarisée
- Limite OC cycle par cycle pour les MOSFET côté haut et côté bas
- Protections non verrouillées pour OTP, OCP, OVP, UVP et UVLO
- Boîtier SOT-583 de 1,6 mm × 2,1 mm
- Configuré pour un large éventail d'applications
- Plage de tension d'entrée de 3,8 V à 28 V
- Plage de tension de sortie de 0,8 V à 22 V
- Puissance de sortie continue de 3 A
- Tension de référence : 0,8 V ± 1,5 % (25 °C)
- Température de jonction de fonctionnement de -40 °C à +150 °C
- MOSFET intégrés de 76 mΩ et 32 mΩ
- Faible courant de repos de 20 µA (standard)
- Fonctionnement du rapport cyclique maximal de 98 %
- Seuil EN de précision
Applications
- Automatisation de bâtiments, appareils électroménagers, PC industriel
- Imprimantes multifonctions, projecteurs d'entreprise
- Électronique portable, périphériques connectés
- Haut-parleurs intelligents, moniteurs
- Systèmes d'alimentation distribués avec entrée 5 V, 12 V, 19 V et 24 V
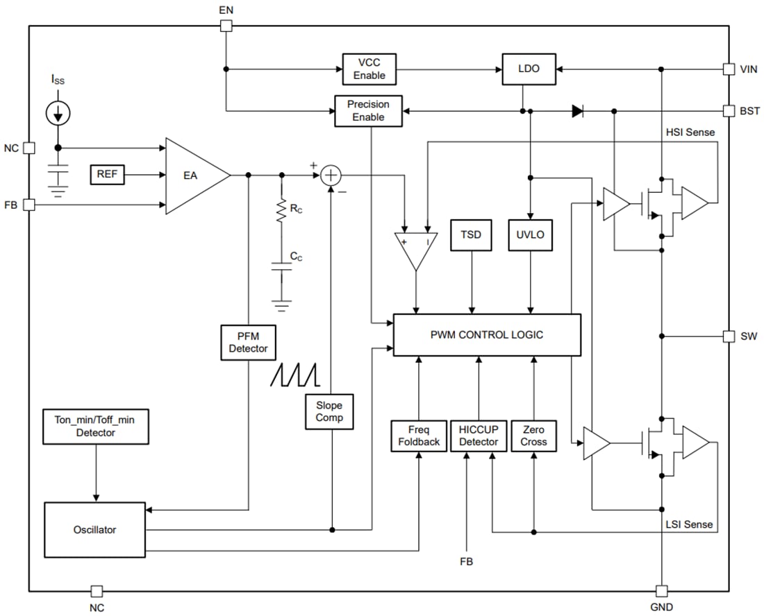
Schéma fonctionnel
