Texas Instruments Convertisseur Buck synchrone 2 A TPS562211
Le convertisseur Buck synchrone 2 A TPS562211 de Texas Instruments est une solution flexible et économique dans un boîtier SOT583. Le convertisseur TPS562211 dispose d'un fonctionnement en mode éco sélectionnable ou d'un fonctionnement FCCM (Mode de conduction continue force). De plus, un indicateur de bonne alimentation sélectionnable ou un démarrage progressif externe est également configurable via la broche MODE. Le TPS562211 permet un séquençage de l'alimentation en configurant une activation, un indicateur de bonne alimentation ou un démarrage progressif externe correctement. Une large plage de tension d'entrée de 4,2 V à 18 V prend en charge une large variété de rails d'entrée communs, tels que 12 V et 15 V. Le dispositif prend en charge jusqu'à 2 A de courant de sortie continu à des tensions de sortie comprises entre 0,6 V et 7 V.Le convertisseur Buck synchrone 2 A TPS562211 de TI met en œuvre une réponse transitoire rapide avec une véritable fréquence de commutation fixe à l'aide de la topologie de commande en Mode courant émulé (AECM) avancée. En facilitant une commande interne de la bande passante en boucle intelligente, le TPS562211 fournit une réponse transitoire rapide sur une large plage de tension de sortie sans besoin de compensation externe.
Une limite de courant cycle par cycle sur le courant de crête côté haut protège le convertisseur en cas de surcharge. Cette fonction est améliorée par une limite d'intensité de creux côté bas, qui empêche l'emballement du courant. Le mode hoquet est déclenché sous protection contre les surtensions (OVP), protection contre les sous-tensions (UVP), protection UVLO et arrêt thermique.
Le convertisseur Buck synchrone 2 A TPS562211 est logé dans un boîtier SOT583 de 1,6 mm × 2,1 mm.
Caractéristiques
- Tension d'entrée de 4,2 V à 18 V
- Tension de sortie : 0,6 V à 7 V
- Courant de sortie continu jusqu'à 2 A
- Temps de commutation minimum de 45 ns
- Cycle de service maximal de 98 %
- Rendement élevé
- MOSFET intégrés 66 mΩ et 33 mΩ
- Courant de repos standard de 120 μA
- Extrêmement flexible et facile à utiliser
- Fonctionnement écologique sélectionnable ou FCCM
- Indicateur de bonne alimentation sélectionnable ou démarrage progressif externe
- Entrée d'activation précise
- Précision élevée
- Précision de tension de référence ± 1 % (25 °C)
- Tolérance de fréquence de commutation ±8,5 %
- Petite taille de solution
- Compensation interne pour une utilisation facile
- Boîtier SOT583
- Nombre minimal de composants externes
- Limite de courant cycle par cycle pour les MOSFET côté haut et côté bas
- Protections OVP, UVP, UVLO et TSD non verrouillées
- Créer une conception personnalisée à l'aide du TPS562211 avec WEBENCH® Power Designer
Applications
- Récepteur (STB), télévision numérique
- Haut-parleur intelligent
- Réseau câblé, haut débit
- Surveillance
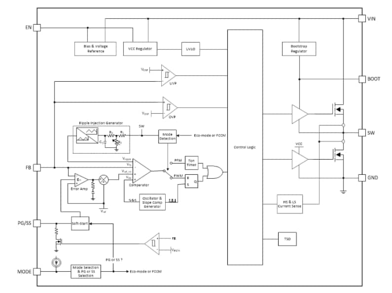
Schéma de principe fonctionnel
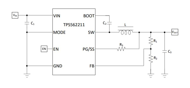
Schéma simplifié
