Texas Instruments Convertisseur Buck PMBus® Buck SWIFT™ TPS546D24S
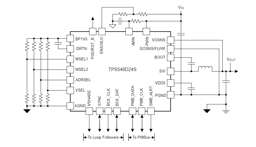
Le convertisseur Buck PmBus® SWIFT™ TPS546D24S de Texas Instruments est hautement intégré et non isolé, conçu pour étendre le TPS546D24A en ajoutant des commandes PMBus spécifiques au fabricant ainsi qu’une protection d’écriture et un mot de passe étendus. Ces fonctionnalités augmentent la sécurité contre les accès malveillants contre le PMBus en limitant la capacité d'écriture avec une résolution supérieure à la commande standard de protection contre l'écriture.Le TPS546D24S de TI offre un fonctionnement à haute fréquence et une sortie de courant de 40 A dans un boîtier de 7 mm × 5 mm. Jusqu'à quatre TPS546D24S peuvent être interconnectés pour délivrer jusqu'à 160 A sur une seule sortie. Le convertisseur peut suralimenter le LDO interne de 5 V à l'aide d'une alimentation externe de 5 V via la broche VDD5 pour améliorer l'efficacité et réduire la dissipation d'énergie du convertisseur.
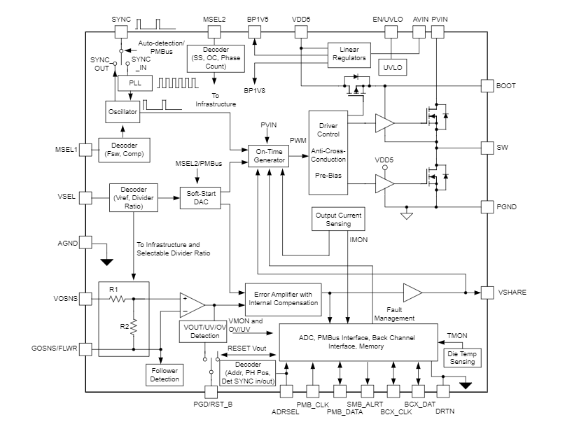
Le TPS546D24S utilise un contrôle de mode de courant à fréquence fixe propriétaire avec une alimentation d'entrée directe et des composants de compensation internes sélectionnables pour une taille minimale et une stabilité sur une large plage de capacités de sortie.
L'interface PMBus avec prise en charge d'horloge 1 MHz offre une interface numérique pratique et normalisée pour la configuration du convertisseur et la surveillance des paramètres clés, y compris la tension de sortie, le courant de sortie et la température interne de la pastille. En fonction des exigences du système, la réponse aux conditions d'erreur peut être réglée pour redémarrer, éteindre ou ignorer. La communication par canal arrière entre les dispositifs empilés permet à tous les convertisseurs TPS546D24S d'alimenter un seul rail de sortie et de partager une adresse unique afin de simplifier la conception du logiciel/micrologiciel du système. Les paramètres clés, notamment la tension de sortie, la fréquence de commutation, le temps de démarrage progressif et les limites de défaut de surintensité, peuvent également être configurés via la sélection de nomenclature (BOM) sans communication PMBus pour prendre en charge la mise sous tension sans programme.
Caractéristiques
- Fonction de sécurité étendue intégrée
- Prise en charge de rail en deux parties : 2,95 V à 16 V PVIN ; 2,95 V à 18 V AVIN (4 VIN VDD5 pour commutation)
- MOSFET intégrés 4,5 mΩ/0,9 mΩ
- Contrôle du mode de courant moyen avec compensation interne sélectionnable
- Empilable 2 fois, 3 fois, 4 fois avec partage de courant jusqu'à 160 A, prenant en charge une seule adresse par sortie
- Sortie sélectionnable de 0,5 V à 5,5 V via un bracelet à broches ou de 0,25 V à 5,5 V à l'aide de la commande VOUT_COMMAND du PMBus
- Jeu de commande PmBus étendu avec télémétrie pour VOUT, IOUT et température interne de la puce
- Télédétection différentielle avec diviseur FB interne pour erreur 1 % VOUT, -40 °C à +150 °C TJ
- AVS et capacités de marginalisation via PMBus
- Broches MSEL de programmation de paramètres PMBus par défaut
- 12 fréquences de commutation sélectionnables de 225 kHz à 1,5 MHz (options de barrette à 8 broches)
- Synchronisation de fréquence entrée/synchronisation sortie
- Prend en charge la sortie pré-polarisée
- QFN à 40 broches de 7 mm × 5 mm × 1,5 mm
- Compatible remplacement direct avec le TPS546D24A
- Créez une conception personnalisée à l'aide du TPS546D24S avec WEBENCH® Power Designer
Applications
- Commutateurs de centres de données, serveurs en baies
- Système d'antenne active, radio à distance et unité de bande de base
- Équipement de test automatisé, CT, PET et IRM
- ASIC, SoC, FPGA, cœur DSP et tension d'E/S
Schéma fonctionnel
Application simplifiée
