Texas Instruments Contrôleur D-CAP+ multiphasé abaisseur TPS536C9T
Le contrôleur D-CAP+ multiphase numérique abaisseur TPS536C9T de Texas Instrument est un contrôleur abaisseur conforme VR14 avec prise en charge de la topologie du régulateur de tension trans-inducteur (TLVR). L'appareil comprend une mémoire non volatile (NVM) intégrée, deux canaux et une interface PmBus™ entièrement compatible avec les étages de puissance intelligents TI. Les fonctionnalités de contrôle avancées telles que l'architecture D-CAP+ offrent une faible capacité de sortie, une réponse transitoire rapide et un bon partage dynamique du courant. Le contrôle réglable du positionnement adaptatif de la tension et de la vitesse de montée de la tension de sortie est pris en charge de manière native. De plus, l'appareil prend en charge l'interface de communication PmBus pour signaler la télémétrie du courant, de la tension, de la puissance, de la température et des conditions de défaut au système hôte. Pour minimiser le nombre de composants externes, tous les paramètres programmables peuvent être configurés via l'interface PmBus et stockés dans NVM en tant que nouvelles valeurs par défaut.Caractéristiques
- Plage de tension d'entrée de 4,5 V à 17 V
- Plage de tension de sortie de 0,25 V à 5,5 V
- Double sortie prenant en charge les configurations de phase N+M (N+M ≤12, M ≤6)
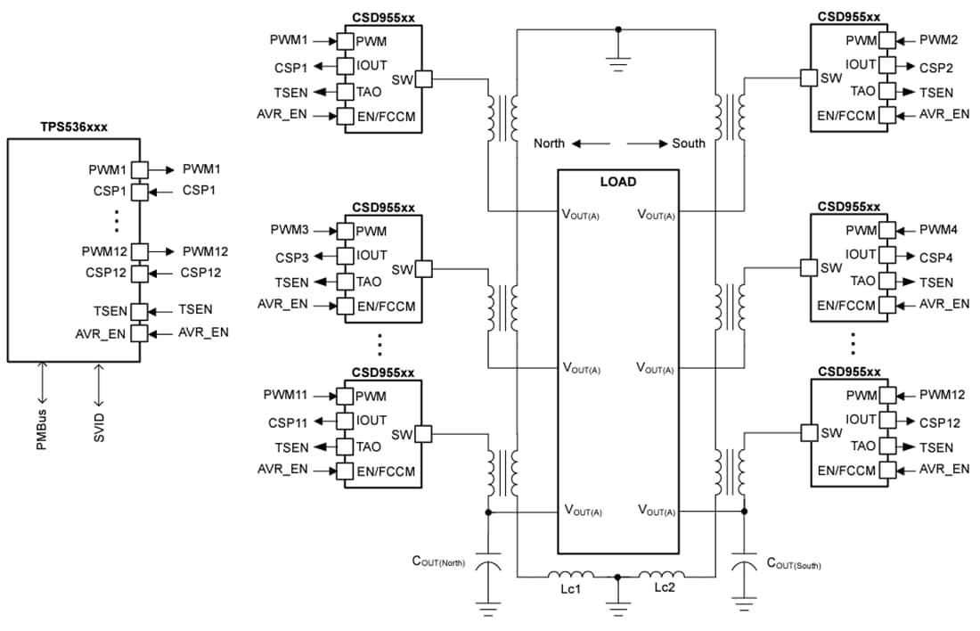
- Prise en charge de topologie de régulateur de tension à transinducteur (TLVR) natif, avec protection contre les circuits ouverts et les courts-circuits LC
- Entièrement compatible avec les étages de puissance intelligents TI
- Prend en charge les étages de puissance Imon à source de tension et de courant avec une résistance interne de 1 kΩ
- Prise en charge de l'identification des défauts de l'étage de puissance traditionnel (mode hérité) et en mode souple
- Prend en charge une alimentation double face avec une longueur de trace supérieure à 12 po
- SVID Intel VR14 compatible avec la prise en charge PSYS
- Rétrocompatible avec SVID VR13.HC/VR13.0
- Journalisation automatique de l'état des défauts NVM
- Contrôle D-CAP+ amélioré pour fournir des performances transitoires supérieures avec un excellent partage de courant dynamique
- Délestage dynamique des phases avec seuils programmables pour optimiser l'efficacité sous charges légères et lourdes
- Configurable avec une mémoire non volatile (NVM) pour un faible nombre de composants externes
- Étalonnage IMON individuel par phase, avec étalonnage du gain multi-pente pour augmenter la précision du système.
- Freinage de diode avec temporisation programmable pour un dépassement transitoire réduit
- Limite de courant de vallée (OCL) programmable par phase
- Interface système PMBus™ v1.3.1 pour la télémétrie de la tension, du courant, de la puissance, de la température et des conditions de défaillance
- Compensation de boucle programmable via PMBus
- Boîtier QFN 48 broches de 6,00 mm × 6,00 mm
Applications
- Serveur rack informatique pour centre de données et entreprise
- Accélérateur matériel
- Carte d'interface réseau (NIC)
- ASIC et client à hautes performances
Application simplifiée (TLVR entrelacé)
Publié le: 2024-01-22
| Mis à jour le: 2024-01-31
