Texas Instruments TPS536C5 Contrôleur multi-phase à deux canaux
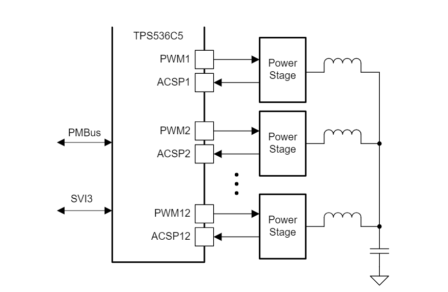
Le contrôleur multi-phase à deux canaux TPS536C5 de Texas Instruments est entièrement conforme à AMD SVI3 et inclut deux canaux, une mémoire non volatile (NVM) intégrée et une interface PMBus™. Le TPS536C5 est parfaitement compatible avec l'étage de puissance intelligent NexFET™ de TI. Les fonctionnalités de contrôle avancé, y compris l'architecture D-CAP+™ avec réduction des dépassements (USR), offrent une réponse transitoire rapide, une capacité de sortie faible et un partage de courant de qualité. Le dispositif offre un délestage de phase dynamique et une nouvelle stratégie d'entrelacement de phase pour améliorer l'efficacité à différentes charges. Les fonctionnalités de l'AMD SVI3 comprennent également des vitesse de balayage VCORE et positionnement de la tension ajustables. En outre, le TPS536C5 de TI prend en charge l'interface de communication PmBus pour signaler aux systèmes la télémétrie de la tension, du courant, de la puissance, de la température et des conditions d'erreur. Pour minimiser le nombre de composants externes, tous les paramètres programmables peuvent être configurés via l'interface PmBus et stockés dans la mémoire NVM en tant que nouvelles valeurs par défaut.Le TPS536C5 est logé dans un boîtier QFN à 48 broches thermiquement amélioré et fonctionne de -40 °C à 125 °C.
Caractéristiques
- Plage de tension d'entrée de 4,5 V à 17 V
- Plage de tension de sortie de 0,25 V à 5,5 V
- Sortie double supportant N+M ≤12 phases, M ≤6 phases
- Prise en charge de topologie de régulateur de tension à transinducteur (TLVR) natif
- Conforme à la directive AMD SVI3
- Contrôle D-CAP+™ amélioré pour fournir des performances transitoires supérieures avec un excellent partage dynamique du courant
- Compensations de boucle programmables
- Séquençage de déclenchement de phase flexible
- Délestage de phase dynamique avec seuil de courant programmable pour optimiser l'efficacité à faible et forte charge
- Étalonnages et rapports de courant de phase individuels
- Ajout de phase rapide pour une réduction des consignes non atteintes
- Configuration sans pilote pour une commutation haute fréquence efficace
- Entièrement compatible avec les étages d'alimentation NexFET™ de TI pour les solutions à haute densité
- Positionnement de tension précis et réglable
- Équilibrage breveté du courant de phase AutoBalance™
- Limite de courant sélectionnable par phase
- Interface de système PmBus™ pour la télémétrie de la tension, du courant, de la puissance, de la température et des conditions de défaut
- Boîtier QFN 6,00 mm × 6,00 mm, 48 broches, pas de vis 0,4 mm
Applications
- Serveur rack
- Microserveur et serveur de tour
- Informatique haute performance
- Unité de bande de base (BBU)
Schéma fonctionnel
Publié le: 2024-05-08
| Mis à jour le: 2024-05-22
